To the top of the document
Orlando
   
GMDE Start Page Load static TOC Load dynamic TOC Help?

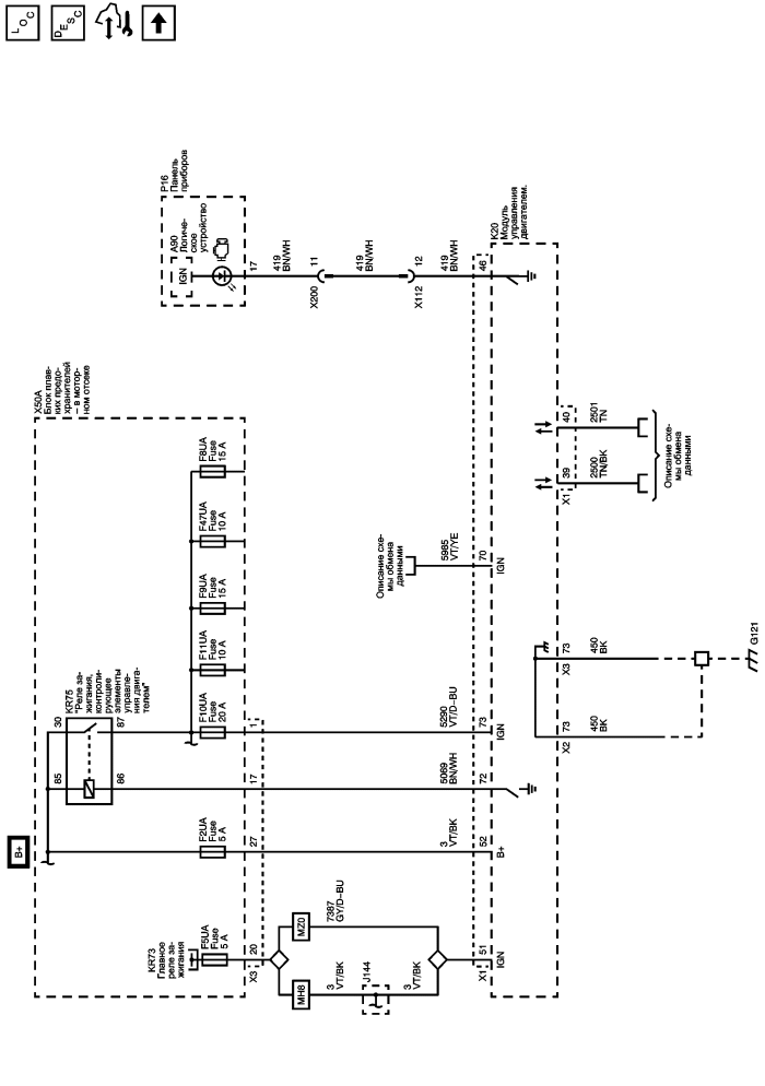
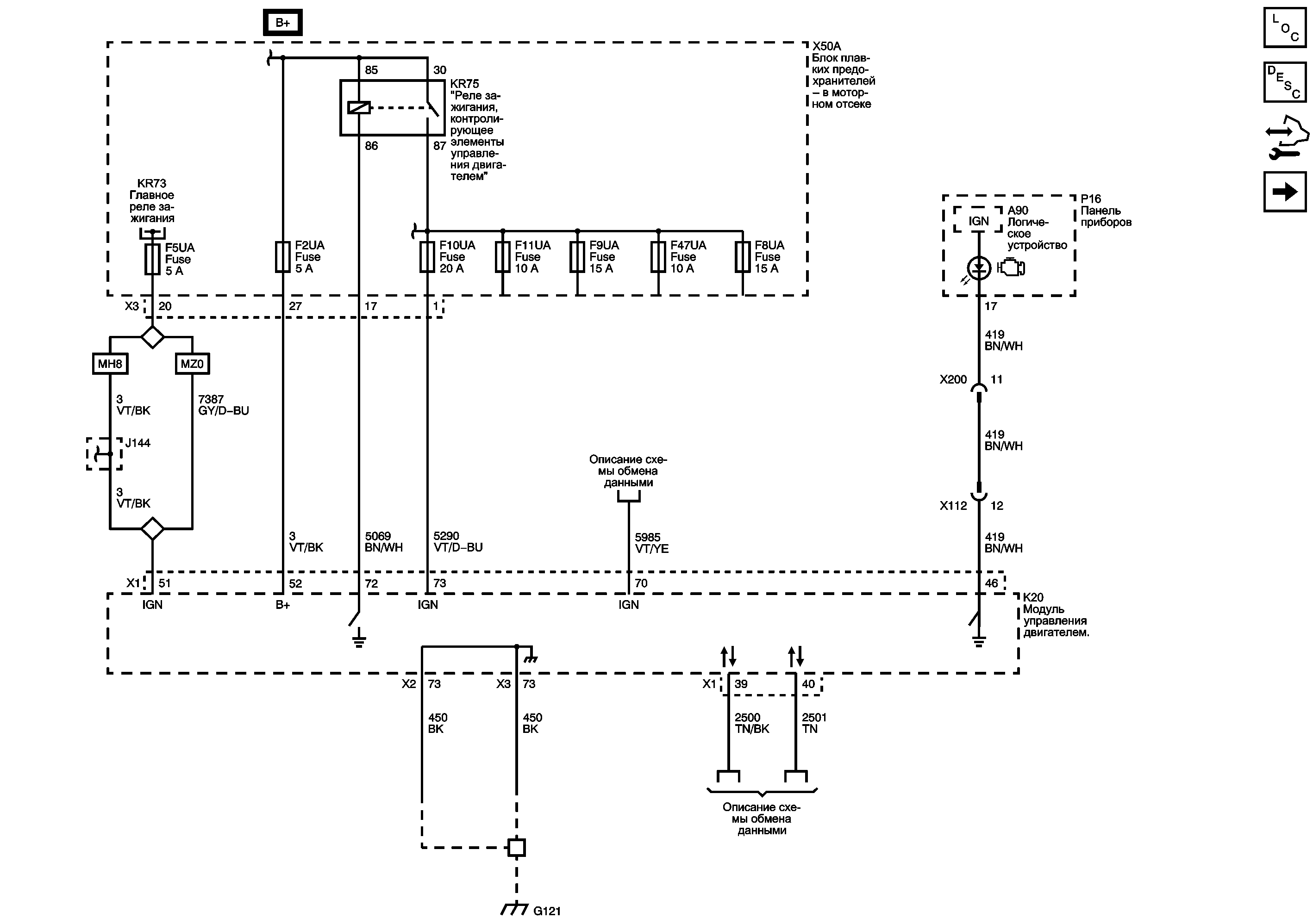
Питание модуля, масса, последовательные данные и лампа индикатора неисправности mil


          
            |                         |            
2580081RU.png

Display graphic

   


© copyright chevrolet. All rights reserved