To the top of the document
Orlando
   
GMDE Start Page Load static TOC Load dynamic TOC Help?

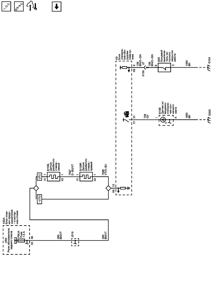
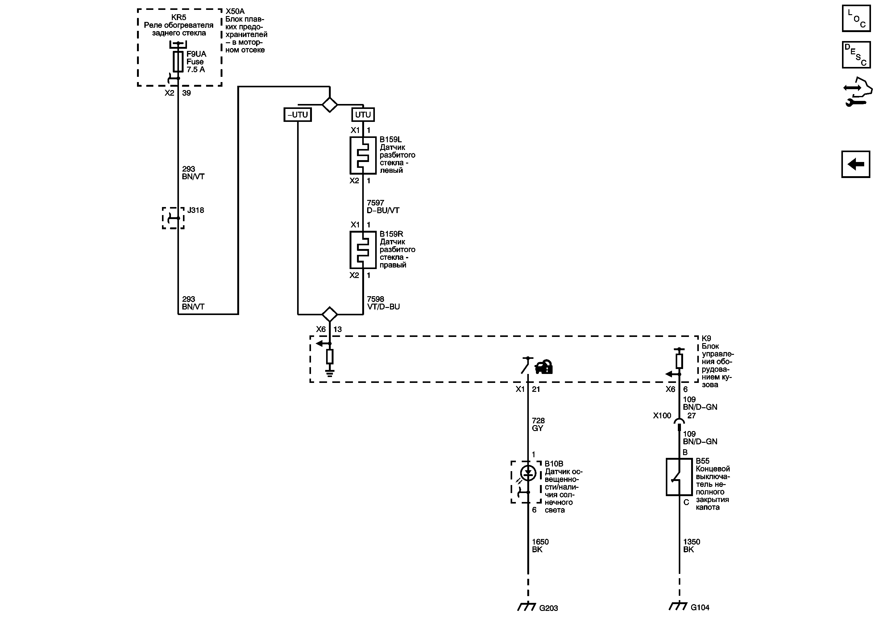
Датчик-выключатель незакрытого капота, датчик наружного освещения и датчик разбитого заднего стекла


          
            |                         |            
2565237RU.png

Display graphic

   


© copyright chevrolet. All rights reserved