Orlando |
||||||||
|
|
|
|||||||
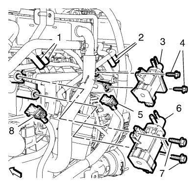
| 1. | Снять смотровой щиток двигателя. См. Щиток осмотра двигателя, Замена |

| 2. | Отсоединить 2 разъема (5, 8) жгута проводов электромагнитного клапана вакуумного регулятора клапана настройки. |
| 3. | Отсоединить 4 шланга (1, 2) электромагнитного клапана вакуумного регулятора клапана настройки. |
| 4. | Отвернуть 2 болта (4) электромагнитного клапана вакуумного регулятора клапана настройки. |
| 5. | Снять электромагнитный клапан вакуумного регулятора клапана настройки воздуха на впуске (3). |
| 6. | Отвернуть 2 болта (7) дополнительного электромагнитного клапана вакуумного регулятора клапана настройки. |
| 7. | Снять дополнительный электромагнитный клапан вакуумного регулятора клапана настройки воздуха на впуске (6). |

| 1. | Установить дополнительный электромагнитный клапан вакуумного регулятора клапана настройки воздуха на впуске (6). |
|
Осторожно:
См. Предупреждение о крепежных деталях |
| 2. | Завернуть 2 болта (7) дополнительного электромагнитного клапана вакуумного регулятора клапана настройки и затянуть их с моментом затяжки 10 n·m (89 фунт-дюймов). |
| 3. | Установить электромагнитный клапан вакуумного регулятора клапана настройки воздуха на впуске (3). |
| 4. | Завернуть 2 болта (4) электромагнитного клапана вакуумного регулятора клапана настройки и затянуть их с моментом затяжки 10 n·m (89 фунт-дюймов). |
| 5. | Подсоединить 4 шланга (1, 2) электромагнитного клапана вакуумного регулятора клапана настройки. |
| 6. | Подсоединить 2 разъема (5, 8) жгута проводов электромагнитного клапана вакуумного регулятора клапана настройки. |
| 7. | Установите смотровой щиток двигателя. См. Щиток осмотра двигателя, Замена |
| © copyright chevrolet. All rights reserved |