To the top of the document
Orlando
   
GMDE Start Page Load static TOC Load dynamic TOC Help?

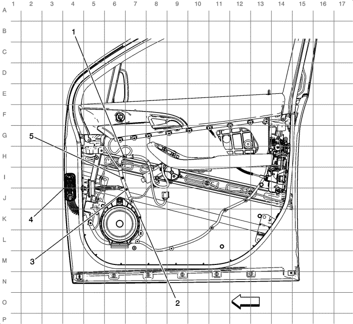
Прокладка жгута проводов двери водителя (правое расположение руля)


          2505317

Пассажирская дверь

(1)J601
(2)J604
(3)J603
(4)X600
(5)J602
   


© copyright chevrolet. All rights reserved