Orlando |
||||||||
|
|
|
|||||||
Эквивалентные местные инструменты см. Специальный инструмент

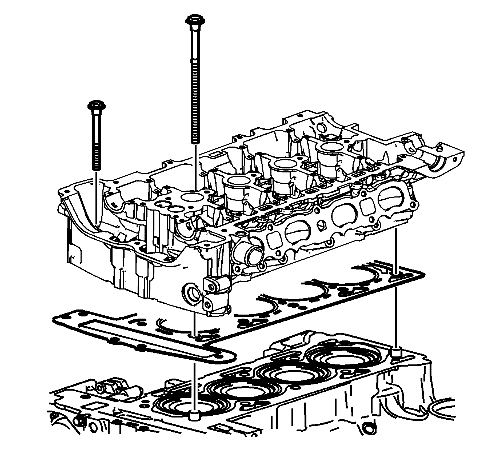
| Примечание: Не допускается использование уплотнительного материала. |
| 1. | Установить на блок уплотнение головки цилиндров. |
| 2. | Установить головку цилиндров. Проверить, что поршень 1-го цилиндра находится в положении верхней мертвой точки (ВМТ). Шпонка коленчатого вала должна находиться в верхнем положении "12 часов". |
|
Осторожно:
См. Предупреждение о крепежных деталях |

| Примечание: Использовать только НОВЫЕ болты крепления головки цилиндров. |
| 3. | Вставьте болты крепления головки цилиндров. |
| 3.1 | Затяните болты по порядку с моментом затяжки 30 Н м (22 фунт-футов). |
| 3.2 | Затяните болты по порядку еще на 155 градусов по угломеру en-45059 . |

| 4. | Установите болты передней головки цилиндров и затяните их с моментом затяжки 30 n·m (22 фунт-фута). |
| © copyright chevrolet. All rights reserved |