Orlando |
||||||||
|
|
|
|||||||

| 1. | Снимите болт электромагнитного клапана привода регулирования фаз (1) и клапан (2). |

| 2. | Снять накладную крышку головки цилиндров (1). |

| 3. | Снимите болты задней крышки подшипника впускного распредвала и крышку (2). |
| Примечание: Откручивайте каждый болт на каждой крышке на один оборот за раз до исчезновения подпружинивающей силы на распредвал. |
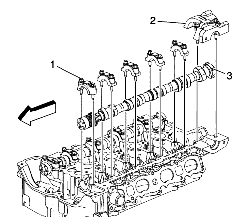
| 4. | Пометьте крышки распредвала, чтобы установить их в исходные положения. |
| 5. | Отвернуть и снять болты крышки распределительного вала впускных клапанов. |
| 6. | Снять крышки (1) распредвала. |
| 7. | Снять распределительный вал (3) впускных клапанов. |

| Примечание: Храните роликовые балансиры и гидравлические компенсаторы зазора в клапанах в таком порядке, чтобы установить их в исходные положения. |
| 8. | Снимите роликовые балансиры впускного распредвала. |

| 9. | Снимите гидравлические компенсаторы зазора в клапанах. |

| 1. | Снимите болт электромагнитного клапана привода регулирования фаз (1) выпускного распредвала и клапан (2). |

| Примечание: Откручивайте каждый болт на каждой крышке на один оборот за раз до исчезновения подпружинивающей силы на распредвал. |
| 2. | Пометьте крышки распредвала, чтобы установить их в исходные положения. |
| 3. | Снимите болты крышки выпускного распредвала. |
| 4. | Снимите крышки распредвала, предварительно их пометив, чтобы установить в эти же положения при сборке. |
| 5. | Снимите выпускной распредвал. |

| Примечание: Храните роликовые балансиры и гидравлические компенсаторы зазора в клапанах в таком порядке, чтобы установить их в исходные положения. |
| 6. | Снимите роликовые балансиры выпускного распредвала. |

| 7. | Снимите гидравлические компенсаторы зазора в клапанах. |
| © copyright chevrolet. All rights reserved |