Orlando |
||||||||
|
|
|
|||||||

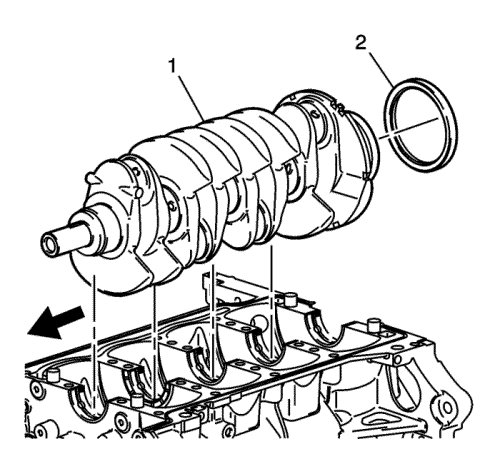
| 1. | Извлечь коленчатый вал (1) из блока цилиндров. |
| 2. | Снять задний сальник (2) коленвала с блока цилиндров. |

| Примечание: Подшипники коленчатого вала НЕОБХОДИМО разделить, пометить или упорядочить таким образом, чтобы обеспечить их установку в исходное место и в исходное положение, когда они будут готовы к использованию. |
| 3. | Вынуть вкладыши подшипников (1) из блока цилиндров (2). |

| 4. | Вынуть вкладыши (1) подшипников из опорной плиты (2). |
| 5. | Вычистить масло, шлам и нагар. |
| 6. | Осмотреть масляные каналы на отсутствие засорения. |
| 7. | Осмотреть места с резьбой. |
| 8. | Осмотреть подшипниковые цапфы и упорные поверхности на отсутствие следующих дефектов: |
| • | Трещины |
| • | Сколы |
| • | Выбоины |
| • | Шероховатости |
| • | Борозды |
| • | Перегрев (изменение цвета) |
| 9. | Осмотреть соответствующие вкладыши подшипников на включения посторонних материалов. При обнаружении посторонних материалов установить причину и выполнить ремонт. |
| Примечание: При обнаружении трещин, больших выбоин и прогоревших пятен заменить коленвал. Незначительная шероховатость может быть удалена тонкой полировочной шкуркой, смоченной чистым моторным маслом. Задиры могут быть устранены тонким шлифовальным бруском. |
| 10. | Обмерить цапфы коленвала. С помощью микрометра или циферблатного указателя измерить конусность и биение. Записать результаты для последующего выбора вкладышей подшипников. При выходе результатов измерения за допустимые пределы коленвал подлежит замене. |
| Записать места расположения выступающих пятен коренных подшипников. Если они расположены не по оси, коленвал изогнут и подлежит замене. |
| © copyright chevrolet. All rights reserved |