Orlando |
||||||||
|
|
|
|||||||

| 1. | Выкрутить болт натяжителя ремня привода агрегатов. |
| 2. | Снимите натяжитель ремня привода вспомогательного оборудования (1). |

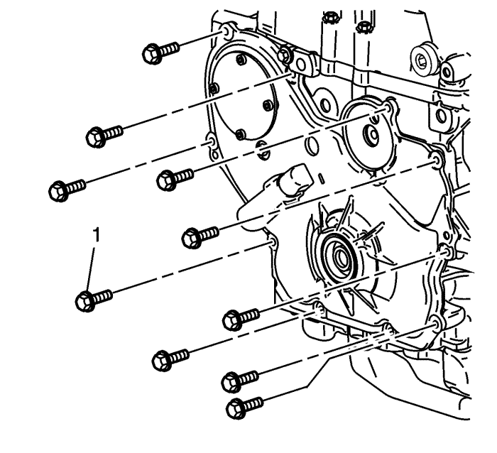
| 3. | Отвернуть болты (1) передней крышки двигателя. |

| 4. | Снимите длинный винт водяного насоса. |
| 5. | Снимите переднюю крышку двигателя (1) и удалите прокладки (2). |
| 6. | Снимите сальник передней крышки коленчатого вала при помощи соответствующих инструментов. |
| © copyright chevrolet. All rights reserved |