To the top of the document
Orlando
   
GMDE Start Page Load static TOC Load dynamic TOC Help?

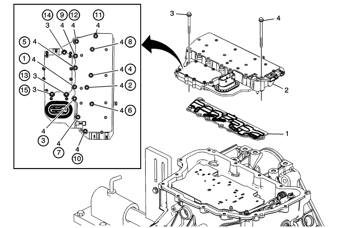
Установка блока управляющих электромагнитных клапанов с модулем управления коробкой передач


          1891446


Выноска


Название компонента


1


Панель фильтров



Подсказка
Установить НОВУЮ панель фильтров, чтобы предотвратить утечки жидкости за уплотнениями.


2


Блок управляющих электромагнитных клапанов (с корпусом и TCM)


3


Болт блока управляющих клапанов M5 x 40,5 (кол.: 3)

Осторожно: См.
Предупреждение о крепежных деталях .

Затянуть
7 Н·м (62 фунт-дюйма)


4


Болт блока управляющих клапанов M6 x 97 (кол.: 12)

Затянуть
10 Н·м (89 фунт дюймов)

 
   


© copyright chevrolet. All rights reserved