To the top of the document
Orlando
   
GMDE Start Page Load static TOC Load dynamic TOC Help?

Снятие блока управляющих клапанов

table 1:Снятие крышки блока управляющих клапанов
table 2:Снятие блока управляющих электромагнитных клапанов (с корпусом и TCM)
table 3:Снятие блока управляющих клапанов

Снятие крышки блока управляющих клапанов


          1891304

Снятие крышки блока управляющих клапанов


Выноска


Название компонента


1


Болты блока управляющих электромагнитных клапанов (с корпусом и TCM) M6 x 30 (кол.: 13)


2


Крышка корпуса регулирующего клапана


3


Прокладка блока регулирующих клапанов

Подсказка
Выбросите уплотнение. Пластинчатый фильтр не подлежит повторному использованию.


4


Уплотнение отверстия для разъема электропроводки крышки блока управляющих клапанов



Подсказка
Выбросите уплотнение. Пластинчатый фильтр не подлежит повторному использованию.


5


Разъем выключателя положения рычага переключения передач


6


Разъем датчика выходной скорости вращения


7


Разъем датчика числа оборотов входного вала

 

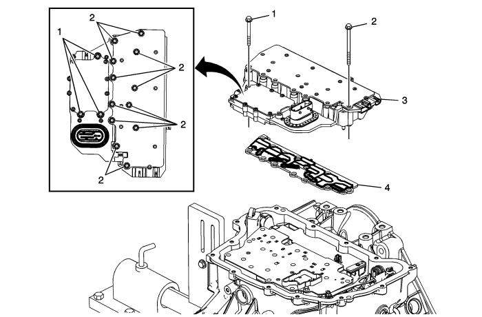
Снятие блока управляющих электромагнитных клапанов (с корпусом и tcm)


          1891305

Снятие блока управляющих электромагнитных клапанов (с корпусом и tcm)


Выноска


Название компонента


1


Болт клапана управления уровнем жидкости M5 x 40,5 (кол.: 3)


2


Болт клапана управления уровнем жидкости M6 x 30 (кол.: 12)


3


Снятие блока управляющих электромагнитных клапанов (с корпусом и TCM)


4


Панель фильтров



Подсказка
Выбросите пластинчатый фильтр. Пластинчатый фильтр не подлежит повторному использованию.

 

Снятие блока управляющих клапанов


          1891307

Снятие блока управляющих клапанов


Выноска


Название компонента


1


Регулятор уровня жидкости


2


Прокладка регулятора уровня жидкости


3


Болт M6 блока управляющих клапанов x 60 (Кол-во: 9 шт.)


4


Болт M6 блока управляющих клапанов x 53 (Кол-во: 2 шт.)


5


Блок управляющих клапанов


6


Проставка блока управляющих клапанов в сборе


7


Болт M6 x 16 (Кол-во: 1 шт.) пружины фиксатора штока переключения передач


8


Пружина в сборе стопорного рычага вала ручного переключения


9


1-2-3-4 Уплотнение маслоканала муфты

Подсказка
Выбросите уплотнение. Пластинчатый фильтр не подлежит повторному использованию.


10


Уплотнение масляного канала муфты низкой передачи/передачи заднего хода

Подсказка
Выбросите уплотнение. Пластинчатый фильтр не подлежит повторному использованию.

 
   


© copyright chevrolet. All rights reserved