To the top of the document
Orlando
   
GMDE Start Page Load static TOC Load dynamic TOC Help?

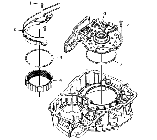
Демонтаж насоса трансмиссионной жидкости коробки передач, перегородки водила переднего дифференциала и коронной шестерни переднего дифференциала (6t40/45)


          1891422


Выноска


Название компонента


1


Болты перегородки чашки переднего дифференциала M6 x 25 (кол.: 2)


2


Перегородка чашки переднего дифференциала в сборе


3


Держатель коронной шестерни переднего дифференциала

Подсказка
Для правильной последующей установки необходимо записать, как сориентирована коническая поверхность.


4


Коронная шестерня переднего дифференциала


5


Болты насоса трансмиссионной жидкости M8 x 33 (кол.: 8)


6


Узел масляного насоса


7


Уплотнение корпуса гидротрансформатора и дифференциала

 
   


© copyright chevrolet. All rights reserved