Наверх документа
Cruze
   
Начальная страница GMDE Загрузить статическое оглавление Загрузить динамическое оглавление Помощь?

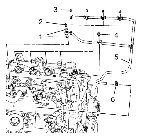
Снятие возвратного топливопровода топливной форсунки - Дизельный двигатель 1.7 л LUD, LUE

Осторожно: Очистить все соединения трубок и шлангов вместе с прилегающими участками, прежде чем приступать к разборке, чтобы избежать попадания грязи в топливную систему. Набрызгать пропиточное масло на выступ эксцентрикового стопорного кольца модуля топливного насоса прежде чем приступать к демонтажу.


    2189494
  1. Снять 4 хомута (1) сливного шланга топливной форсунки.

  2. 2372841
  3. Освободить из фиксирующих зажимов возвратный топливный шланг топливных форсунок.
  4. Отвернуть полый винт (2) топливного возвратного шланга топливных форсунок с 2 уплотнительными кольцами (1).
  5. Отвернуть болт (4) крепления кронштейна топливного возвратного шланга топливных форсунок.
  6. Снять хомут (6) топливного возвратного шланга топливных форсунок.
  7. Примечание: Закройте отверстия в форсунках и в насосе высокого давления, чтобы предотвратить загрязнение.

  8. Отсоединить топливный возвратный шланг (5) от топливных форсунок.
  9. Снять топливный возвратный шланг (5) топливных форсунок.
  10. Завернуть полый винт (2) топливного возвратного шланга топливных форсунок в клапан ограничения давления во избежание загрязнения.
   


https://vnx.su/ 🛠 Руководства по ремонту и эксплуатации для автомобилей

Поиск по сайту

Остались вопросы или пожелания? Пишите на почту: support@vnx.su

Карта Сайта