Наверх документа
Cruze
   
Начальная страница GMDE Загрузить статическое оглавление Загрузить динамическое оглавление Помощь?

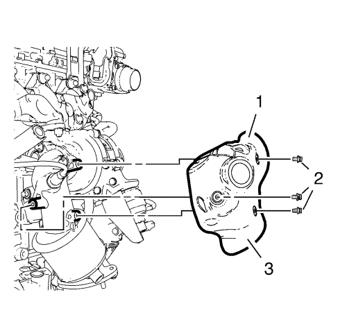
Установка термозащитного щитка каталитического нейтрализатора - Дизельный двигатель 1.7 л LUD, LUE


    2372812
  1. Установите теплозащитный щиток каталитического нейтрализатора (3).
  2. Примечание: Вывести разъем жгута проводов подогреваемого датчика кислорода через отверстие (1) в термозащитном щитке каталитического нейтрализатора.

  3. Подсоединить разъем жгута проводов подогреваемого датчика кислорода к фиксирующему зажиму.
  4. Осторожно: См. Предупреждение о крепежных деталях во введении.

  5. Завернуть 3 болта (2) крепления термозащитного щитка каталитического нейтрализатора и затянуть их с моментом затяжки 8 Н·м (71 фунт дюйм).
   


https://vnx.su/ 🛠 Руководства по ремонту и эксплуатации для автомобилей

Поиск по сайту

Остались вопросы или пожелания? Пишите на почту: support@vnx.su

Карта Сайта