Наверх документа
Cruze
   
Начальная страница GMDE Загрузить статическое оглавление Загрузить динамическое оглавление Помощь?

Установка трубы топливного распределителя - Дизельный двигатель 1.7 л LUD, LUE

Специальный инструмент

    • ge-6600-1 Динамометрический ключ
    • ge-6600-308 Насадка

Эквивалентные местные инструменты см. Специальный инструмент .

    Осторожно: См. Предупреждение о крепежных деталях во введении.


    2372847
  1. Установить трубу топливного распределителя (4) топливных форсунок.
  2. Установить 2 кронштейна (1) трубы топливного распределителя топливных форсунок.
  3. Слегка завернуть 2 болта (3) трубы топливного распределителя топливных форсунок.
  4. Слегка завернуть 2 гайки (2) крепления кронштейна трубы топливного распределителя топливных форсунок.
  5. Завернуть 2 болта (3) трубы топливного распределителя топливных форсунок и затянуть их с моментом затяжки 24 Н·м (18 фунт фут).
  6. Завернуть 2 гайки (2) крепления кронштейна трубы топливного распределителя топливных форсунок и затянуть их с моментом затяжки 10 Н·м (89 фунт дюйм).

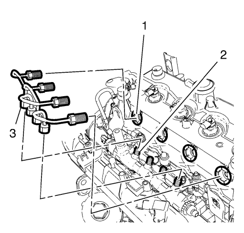
  7. 2372846
  8. Снять заглушки с соединений (1) топливных форсунок и с соединений (2) трубы топливного распределителя.
  9. Установить 4 подающих топливопровода топливных форсунок (3).
  10. Завернуть 8 гаек соединительных трубок подвода топлива к топливным форсункам и затянуть их с моментом затяжки 25 Н·м (18 фунт фут), используя динамометрический гаечный ключ ge-6600-1 и наконечник ge-6600-308.
   


https://vnx.su/ 🛠 Руководства по ремонту и эксплуатации для автомобилей

Поиск по сайту

Остались вопросы или пожелания? Пишите на почту: support@vnx.su

Карта Сайта