Наверх документа
Orlando
   
Начальная страница GMDE Загрузить статическое оглавление Загрузить динамическое оглавление Помощь?

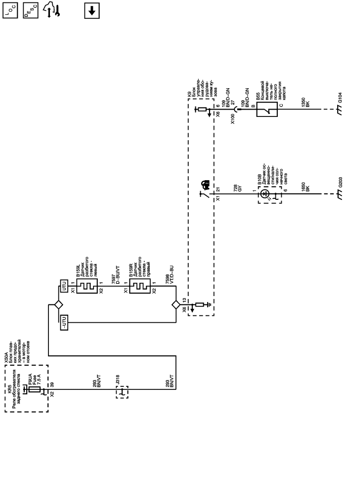
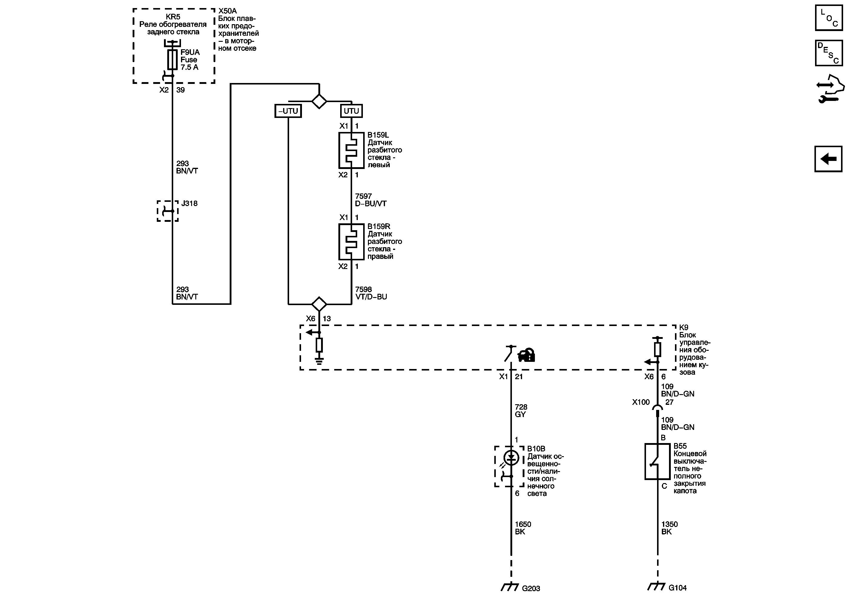
Датчик-выключатель незакрытого капота, датчик наружного освещения и датчик разбитого заднего стекла



            |                         |            
2540720RU.png

Графический дисплей

   


https://vnx.su/ 🛠 Руководства по ремонту и эксплуатации для автомобилей
   


https://vnx.su/ 🛠 Руководства по ремонту и эксплуатации для автомобилей

Поиск по сайту

Остались вопросы или пожелания? Пишите на почту: support@vnx.su

Карта Сайта