Наверх документа
Orlando
   
Начальная страница GMDE Загрузить статическое оглавление Загрузить динамическое оглавление Помощь?

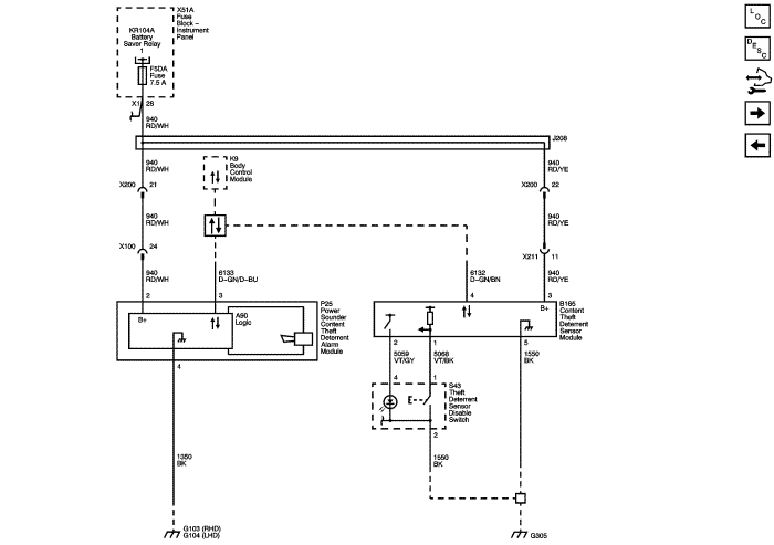
Аварийный сигнализатор и датчик проникновения (UTU)


2540719
   


https://vnx.su/ 🛠 Руководства по ремонту и эксплуатации для автомобилей
   


https://vnx.su/ 🛠 Руководства по ремонту и эксплуатации для автомобилей

Поиск по сайту

Остались вопросы или пожелания? Пишите на почту: support@vnx.su

Карта Сайта