Наверх документа
Orlando
   
Начальная страница GMDE Загрузить статическое оглавление Загрузить динамическое оглавление Помощь?

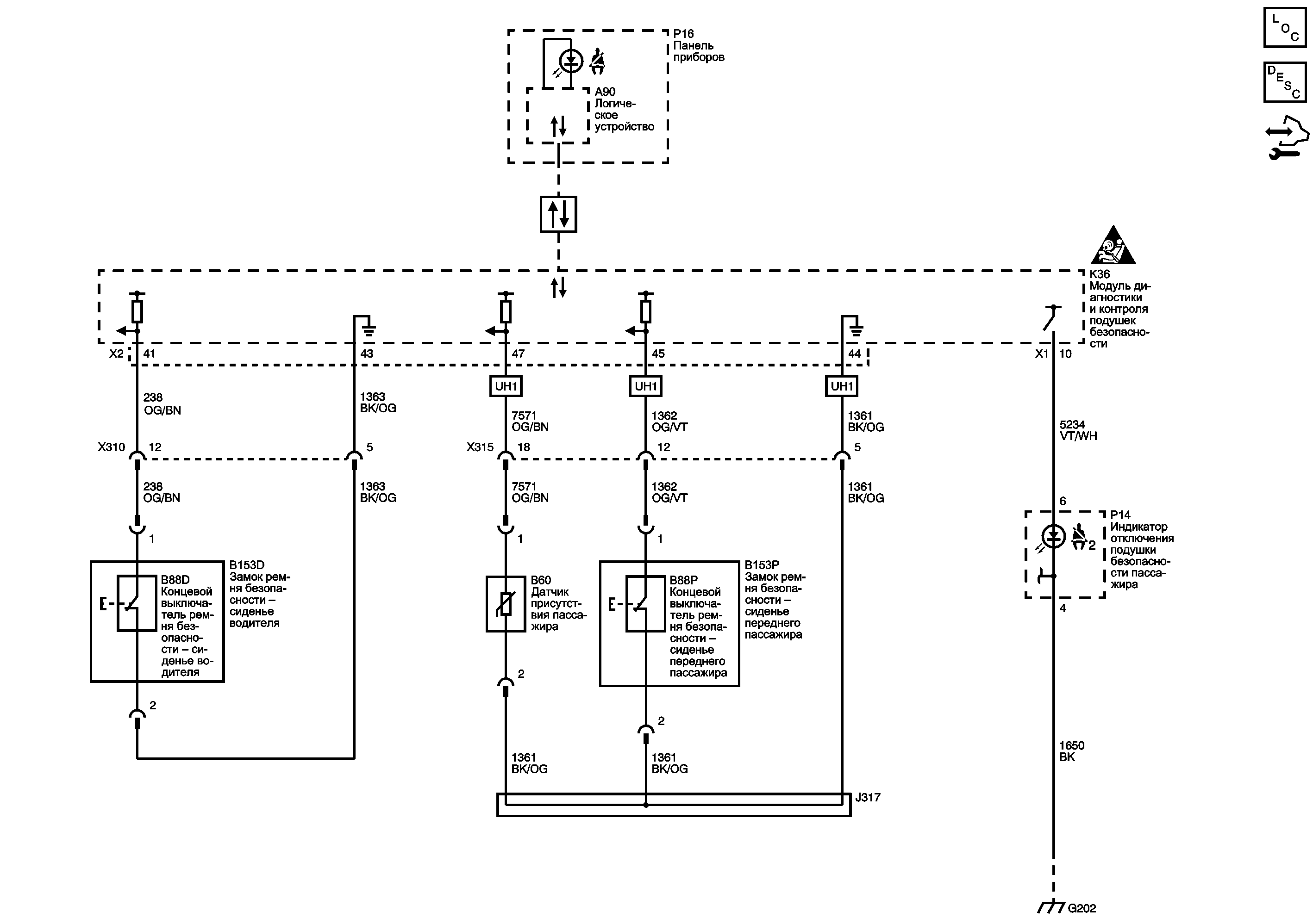
Схема ремня безопасности

Выключатели ремней безопасности сиденья и индикаторы



            |                         |            
2504325RU.png

Графический дисплей

Список электрических компонентов управления

Система ремней безопасности, описание и работа

Модуль управления Справочные сведения

Схемы обмена данными

Значки на основной принципиальной электрической схеме

G120, G121, G122 и G201

G202

   


https://vnx.su/ 🛠 Руководства по ремонту и эксплуатации для автомобилей
   


https://vnx.su/ 🛠 Руководства по ремонту и эксплуатации для автомобилей

Поиск по сайту

Остались вопросы или пожелания? Пишите на почту: support@vnx.su

Карта Сайта