Orlando |
||||||||
|
|
|
|||||||

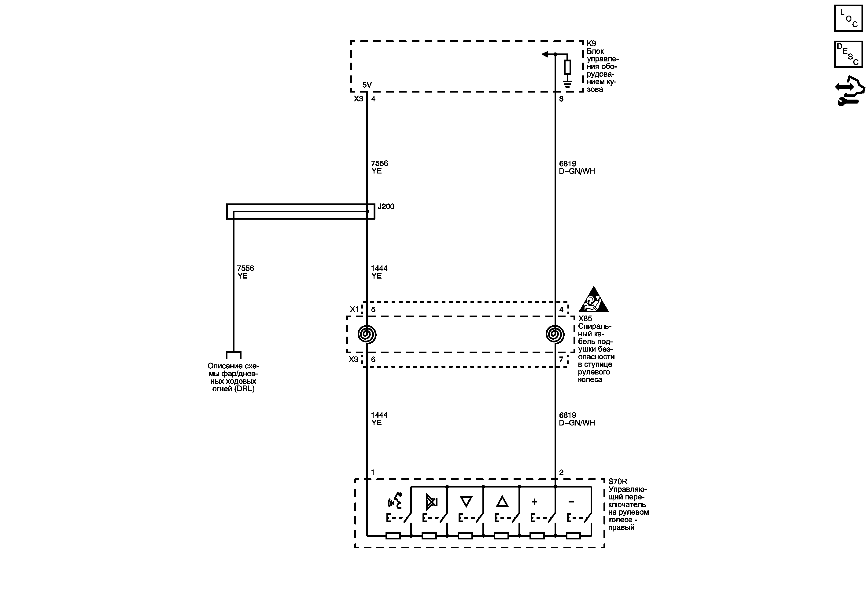
Список электрических компонентов управления
Описание и принцип работы органов управления на рулевом колесе
Модуль управления Справочные сведения
Значки на основной принципиальной электрической схеме
| https://vnx.su/ 🛠 Руководства по ремонту и эксплуатации для автомобилей |
| https://vnx.su/ 🛠 Руководства по ремонту и эксплуатации для автомобилей |