Orlando |
||||||||
|
|
|
|||||||

Список электрических компонентов управления
Описание и функционирование каналов обмена данными
Модуль управления Справочные сведения
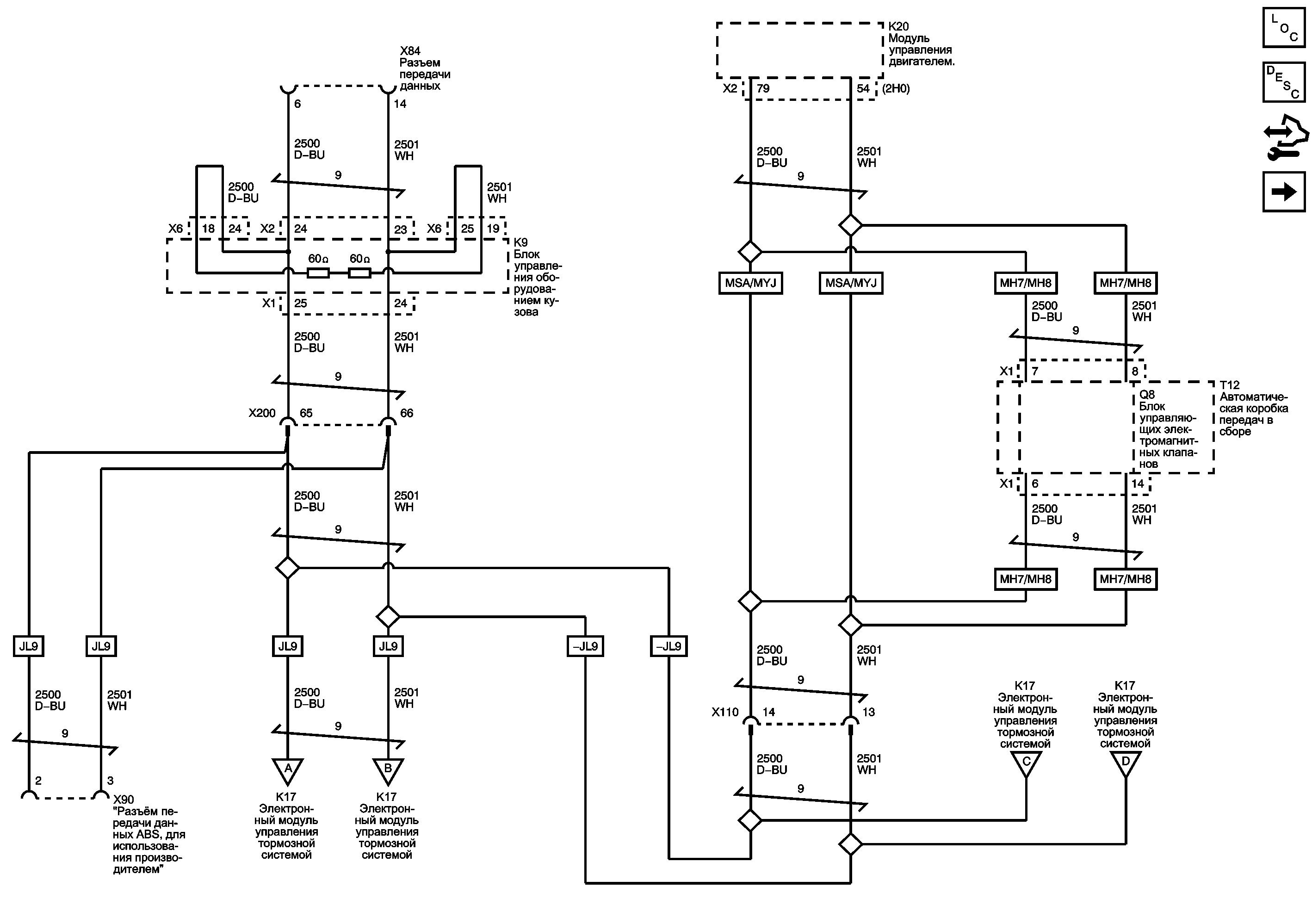
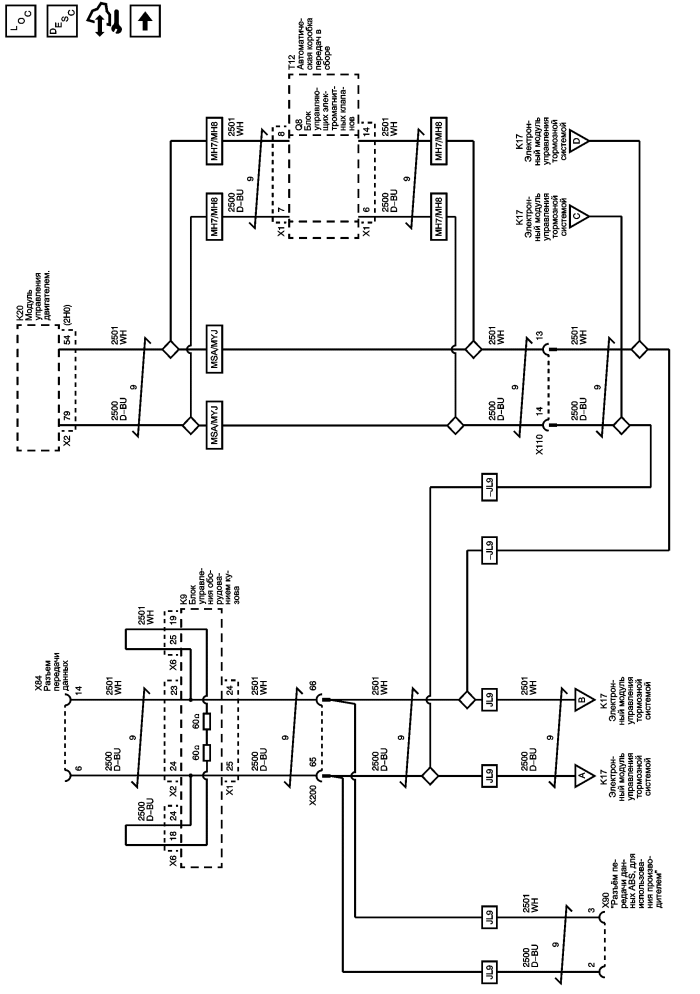
Высокоскоростная GMLAN (2 из 2)
Схематические обозначения электрических элементов управления
Высокоскоростная GMLAN (2 из 2)
| https://vnx.su/ 🛠 Руководства по ремонту и эксплуатации для автомобилей |
| https://vnx.su/ 🛠 Руководства по ремонту и эксплуатации для автомобилей |