Orlando |
||||||||
|
|
|
|||||||

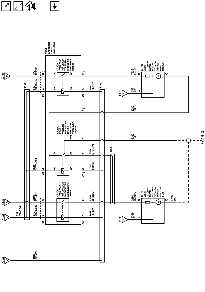
Список электрических компонентов управления
Модуль управления Справочные сведения
Двойной вентилятор (LNP 1 из 2)
Электрический центр - Обозначение - Иллюстрации
Двойной вентилятор (LNP 1 из 2)
| https://vnx.su/ 🛠 Руководства по ремонту и эксплуатации для автомобилей |
| https://vnx.su/ 🛠 Руководства по ремонту и эксплуатации для автомобилей |