Orlando |
||||||||
|
|
|
|||||||

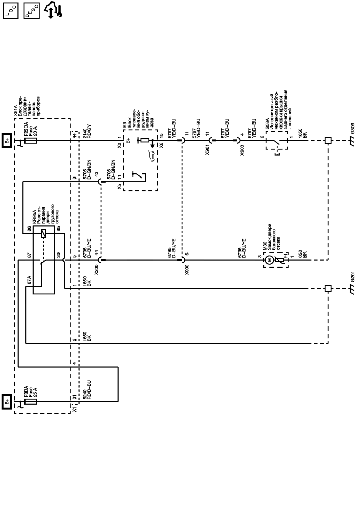
Список электрических компонентов управления
Багажник, описание и эксплуатация
Модуль управления Справочные сведения
Предохранители F3DA, F8DA, F9DA, F10DA, F11DA, F16DA, F3UD и F6UD
Внешние виды обозначения электрического блока
Предохранители F14DA, F15DA, F17DA, F21DA, F23DA, F24DA и F25DA
| https://vnx.su/ 🛠 Руководства по ремонту и эксплуатации для автомобилей |
| https://vnx.su/ 🛠 Руководства по ремонту и эксплуатации для автомобилей |