Cruze |
||||||||
|
|
|
|||||||

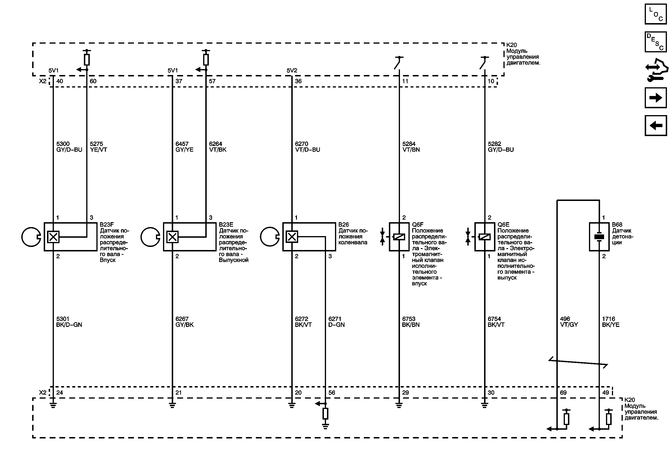
Список электрических компонентов управления
Модуль управления Справочные сведения
Датчики данных двигателя - средства управления дроссельной заслонкой
Датчики данных двигателя - давление и температура
| https://vnx.su/ 🛠 Руководства по ремонту и эксплуатации для автомобилей |