Наверх документа
Cruze
   
Начальная страница GMDE Загрузить статическое оглавление Загрузить динамическое оглавление Помощь?

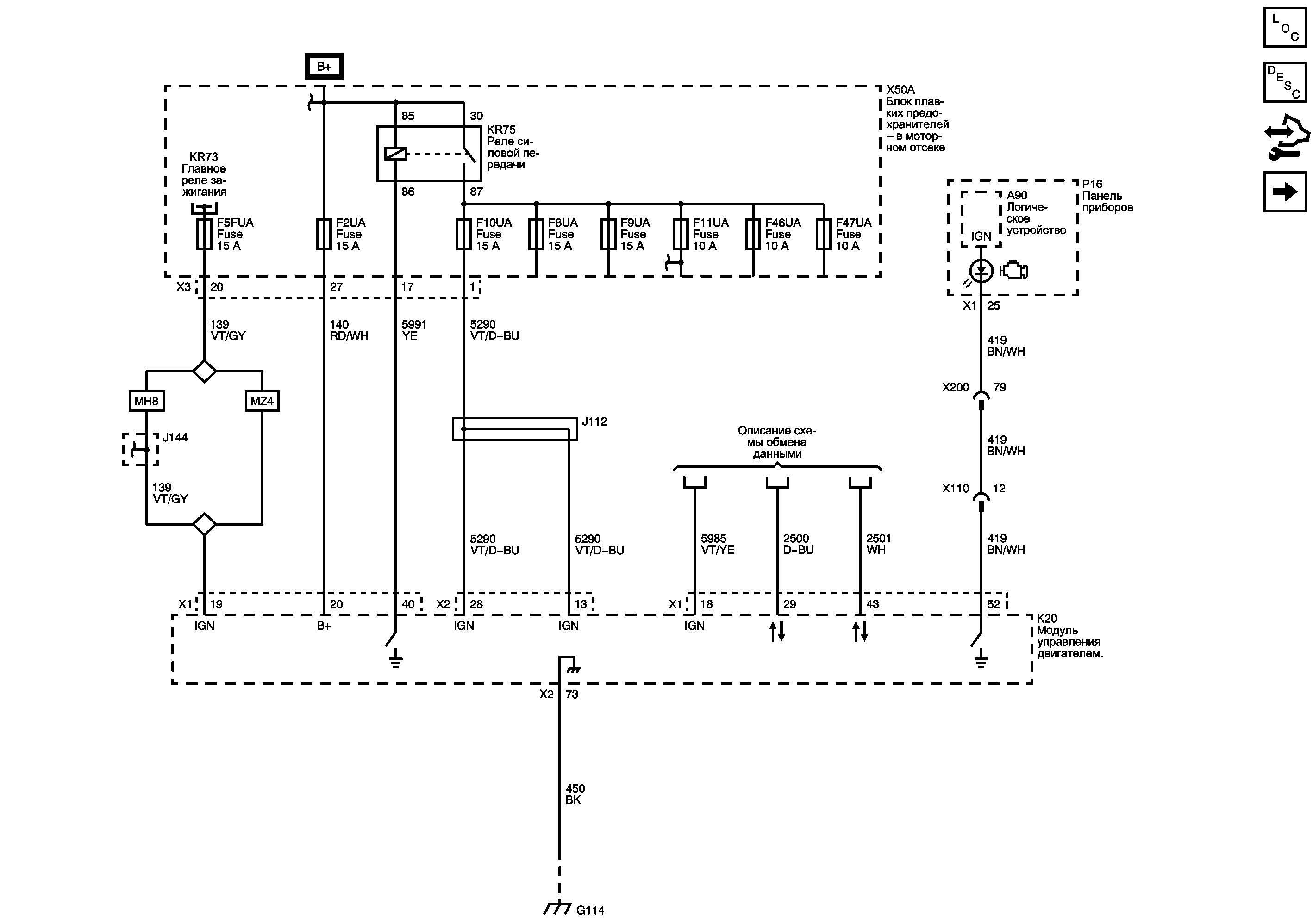
Питание, масса, последовательные данные и лампа индикатора неисправности (MIL)



            |                         |            
2519830RU.png

Графический дисплей

Список электрических компонентов управления

Контроллер ЭСУД (ECM)

Модуль управления Справочные сведения

Шина 5 В и шина низкого опорного сигнала (1 из 2)

   


https://vnx.su/ 🛠 Руководства по ремонту и эксплуатации для автомобилей

Поиск по сайту

Остались вопросы или пожелания? Пишите на почту: support@vnx.su

Карта Сайта