К верхней части документа
Cruze
   
Начальная страница GMDE Загрузить статическое содержание Загрузить динамическое содержание Справка?

Замена коробки передач - 1.8L 2H0

Специальный инструмент

    • ch-904 Рама основания
    • ch-49289 Центрирующая рама
    • ch-49290 Подпорка двигателя
    • dt-47648 Держатель коробки передач
    • en-45059 Измеритель угла
    • en-47649 Держатель подпорки двигателя

Эквивалентные местные инструменты см. Специальный инструмент .

Процедура демонтажа

  1. Снять поддон аккумуляторной батареи. См. Поддон аккумулятора Замена .
  2. Примечание: НЕ отсоединяйте шланги охлаждающей жидкости двигателя.

  3. Снимите расширительный бачок радиатора. См. Замена расширительного бачка радиатора .
  4. Снимите трос рычага-избирателя диапазона с коробки передач. См. Замена рычага переключения передач вместе с тросом на механической коробке передач .

  5. 2191942
  6. Отсоедините электрический разъем (1) от переключателя фонаря заднего хода.

  7. 2191940

    Примечание: Перед отсоединением передней трубки рабочего цилиндра сцепления, слейте тормозную жидкость/жидкость сцепления из бачка. Поместить снизу емкость.

  8. Снимите фиксатор передней трубки рабочего цилиндра сцепления (1).
  9. Отсоедините переднюю трубку (2) рабочего цилиндра сцепления от отвода трубки рабочего цилиндра сцепления.

  10. 2372842
  11. Отверните 3 верхних болта коробки передач от двигателя (1).
  12. Установить держатель подпорки en-47649. См. Держатель подпорки двигателя .
  13. Поднять и подпереть автомобиль. См. Подъем и пользование домкратом на автомобиле .

  14. 2371686

    Примечание: Инструкции по монтажу spx поставляются со специальным приспособлением. Кроме этого, инструкции можно скачать через интернет непосредственно с сайта SPX. См. www.spxtools-shop.com.

  15. Собрать опорное приспособление ch-49290 (1) согласно указаниям в инструкции по установке spx.
  16. Вывесите ch-904 раму основания с помощью подъемника.
  17. Опереть опорное приспособление ch-49290 на опорную раму ch-904.

  18. 2371685

    Примечание: Инструкции по монтажу spx поставляются со специальным приспособлением. Кроме этого, инструкции можно скачать через интернет непосредственно с сайта SPX. См. www.spxtools-shop.com.

  19. Установить опорное приспособление ch-49290 (1) согласно указаниям в инструкции по установке spx.
  20. Снимите трансмиссию и раму передней подвески. См. Замена трансмиссии и рамы передней подвески .

  21. 2191948
  22. Снимите с коробки передач (2) переднюю опору коробки передач. Отвернуть 2 болта (1).

  23. 2191949
  24. Отверните болты кронштейна опоры коробки передач (1) и снимите кронштейн задней опоры коробки передач (2).
  25. Слить жидкость из коробки передач. См. Проверка уровня трансмиссионного масла .
  26. Отсоединить ведущий вал левого переднего колеса от коробки передач. См. Замена вала привода переднего колеса - Левая сторона .
  27. Снимите промежуточный вал привода передних колес. См. Замена промежуточного вала привода переднего колеса .
  28. Опустить автомобиль.

  29. 2191953
  30. Выверните и ВЫБРОСИТЕ крепежные болты коробки передач (1) из кронштейна опоры коробки передач.
  31. Опустите двигатель и коробку передач на левый бок с помощью держателя подпорки двигателя en-47649.

  32. 2191951
  33. Снимите кронштейн опоры коробки передач - с левой стороны с коробки передач (2). Выкрутить 3 болта (1) кронштейна крепления опоры коробки передач.
  34. Поднять автомобиль.

  35. 2372843
  36. Открутить 4 нижних болта (1, 3) коробки передач.
  37. Открутить нижний болт и гайку (2) коробки передач.
  38. Вторично нарезать резьбу в отверстии для слива в коробке передач.
  39. Внимание См. Предупреждение о крепежных деталях в разделе "Введение".

    Примечание: В сервисе могут предлагаться не микрокапсулированные пробки. В этом случае необходимо нанести на заглушку резьбовой герметик.

    Если крепление микрокапсулированное, установить НОВУЮ пробку отверстия для слива трансмиссионной жидкости. НЕ ИСПОЛЬЗУЙТЕ старую пробку.

  40. Установить НОВУЮ пробку слива масла и затянуть ее до момента 20 Н·м (15 фунт-футов ).

  41. 2027509
  42. Поместите держатель dt-47648 коробки передач на опорную раму ch-904 и предварительно установите опоры как показано на рисунке.
  43. Установите предварительно опору dt-47648-2 картера сцепления (4) в положение 2 на опорной плите.
  44. Установить предварительно опору dt-47648-4 корпуса коробки передач (2) в положение 14 на опорной плите.
  45. Установить предварительно опору dt-47648-5 левую с задним поворотным рычагом (1) коробки передач в положение А на опорной плите.
  46. Установить предварительно опору dt-47648-5 правую с передним поворотным рычагом (3) коробки передач в положение f на опорной плите.

  47. 2191952

    Примечание: Перед установкой в нужное положение отпустить все болтовые соединения поворотных рычагов и опор до опорной плиты. Отрегулировать опоры корпуса гидротрансформатора и корпуса коробки передач с помощью стоек так, чтобы опустить их как можно ниже.

  48. Прикрепить к коробке передач держатель dt-47648 коробки передач.
  49. Выровнять под коробкой передач держатель dt-47648 коробки передач.
  50. Прикрепить поворотные рычаги (1, 2) к коробке передач.
  51. Примечание: Выровнять поворотные рычаги так, чтобы получить как можно меньшие усилия рычагов.

  52. Затянуть болтовые соединения поворотных рычагов, начав от коробки передачи и пройдя вплоть до опорной плиты.
  53. Разместите на коробке передач опоры для картера сцепления и картера коробки передач, выкрутив поворотные рычаги.
  54. Затянуть болтовые соединения опор.

  55. 2191955
  56. Отверните последние нижние болты коробки передач (1).
  57. Отсоедините коробку передач от двигателя.
  58. Опустить коробку передач с домкратом и держатель dt-47648 коробки передач настолько, чтобы иметь возможность извлечь коробку передач.

Процедура установки

  1. Поднять коробку передач с домкратом и держатель dt-47648 коробки передач, и разместить коробку передач на двигателе.

  2. 2191955
  3. Установить нижний болт (1) коробки передач и затянуть его до момента 70 Н·м (52 фунт фута).
  4. Убрать домкрат коробки передач с держателем dt-47648 коробки передач.

  5. 2372845
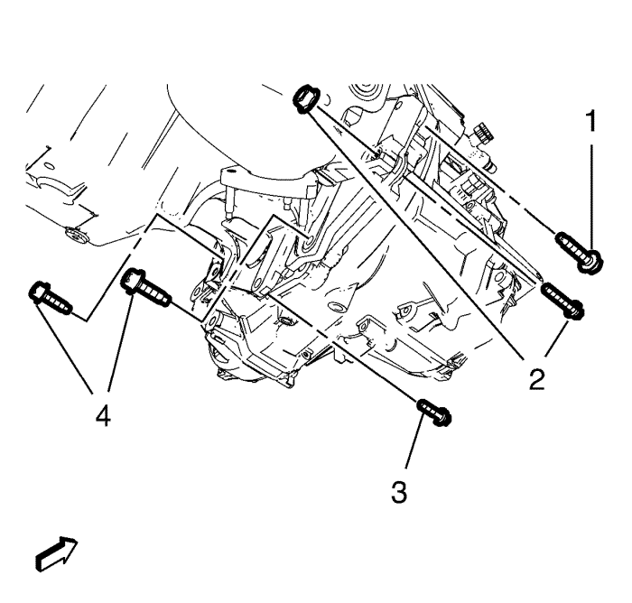
  6. Установить нижний болт (1) коробки передач и затянуть его до момента 70 Н·м (52 фунт фута).
  7. Установить нижний болт и гайку (2) коробки передач и затянуть их до момента 40 Н·м (30 фунт футов).
  8. Установить нижний болт (3) коробки передач и затянуть его до момента 40 Н·м (30 фунт футов).
  9. Установить 2 нижних болта (4) коробки передач и затянуть до момента 45 Н·м (33 фунт фута).
  10. Опустить автомобиль.

  11. 2191951
  12. Установите кронштейн опоры коробки передач - С левой стороны. Ввернуть 3 болта (1) кронштейна опоры коробки передач и затянуть с моментом 100 Н·м (74 фунт футов).
  13. Поднять двигатель и коробку передач на левый бок с помощью держателя подпорки en-47649.

  14. 2191953
  15. Установите 3 НОВЫХ болта опоры коробки передач (1), но пока не затягивайте их.
  16. Поднять автомобиль.
  17. Установите промежуточный вал привода передних колес. См. Замена промежуточного вала привода переднего колеса .
  18. Установить ведущий вал левого переднего колеса на коробку передач. См. Замена вала привода переднего колеса - Левая сторона .

  19. 2191949
  20. Установить кронштейн задней опоры коробки передач (2) и затянуть болты (1) до момента 100 Н·м (74 фунт фута).

  21. 2191948
  22. Установите на коробку передач ее переднюю опору (2). Вверните 2 болта крепления передней опоры коробки передач (1) и затяните до момента 100 Н·м (74 фунт фут)..
  23. Установите трансмиссию и раму передней подвески. См. Замена трансмиссии и рамы передней подвески .
  24. Опустить автомобиль.
  25. Снимите крепление опоры en-47649. См. Держатель подпорки двигателя .
  26. Внимание См. Предупреждение о резьбовых соединениях с затяжкой до предела текучести в разделе "Введение".


    2191953
  27. Затянуть НОВЫЕ болты опоры - с левой стороны (1) коробки передач сначала с моментом затяжки 50 Н·м (36 фунт фут).
  28. Затяните левые болты опоры коробки передач дополнительно на 60 - 75 градусов, используя угломер en-45059 .

  29. 2372842
  30. Установить верхние болты (1) коробки передач на двигатель и затянуть до момента 70 Н·м (52 фунт фута).
  31. Поднять автомобиль.

  32. 2371685
  33. Опустить опорное приспособление ch-49290 (1) с опорной рамой ch-904 и домкратом.
  34. Снять опорное приспособление ch-49290 с опорной рамы ch-904.

  35. 2371686

    Примечание: Инструкции по монтажу spx поставляются со специальным приспособлением. Кроме этого, инструкции можно скачать через интернет непосредственно с сайта SPX. См. www.spxtools-shop.com.

  36. Разобрать опорное приспособление ch-49290 (1) согласно указаниям в инструкции по установке spx.

  37. 2191940
  38. Подсоедините переднюю трубку (2) рабочего цилиндра сцепления к отводу трубки рабочего цилиндра сцепления.
  39. Установите фиксатор передней трубки (1) рабочего цилиндра сцепления на отводе трубки рабочего цилиндра сцепления.

  40. 2191942
  41. Подсоедините электрический разъем (1) к переключателю фонаря заднего хода.
  42. Установите трос рычага-избирателя диапазона в коробке передач. См. Замена рычага переключения передач вместе с тросом на механической коробке передач .
  43. Отрегулируйте натяжение тросов рычага-избирателя диапазона. См. Регулировка троса рычага переключения и рычага выбора передач на механической коробке передач .
  44. Удалить воздух из гидравлической системы сцепления. См. Удаление воздуха из гидравлической системы сцепления .
  45. Проверить уровень трансмиссионной жидкости. См. Проверка уровня трансмиссионного масла .
  46. Установите аккумуляторный ящик. См. Поддон аккумулятора Замена .
  47. Провести дорожное испытание автомобиля.
   


https://vnx.su/ 🛠 Руководства по ремонту и эксплуатации для автомобилей

Поиск по сайту

Остались вопросы или пожелания? Пишите на почту: support@vnx.su

Карта Сайта