К верхней части документа
Cruze
   
Начальная страница GMDE Загрузить статическое содержание Загрузить динамическое содержание Справка?

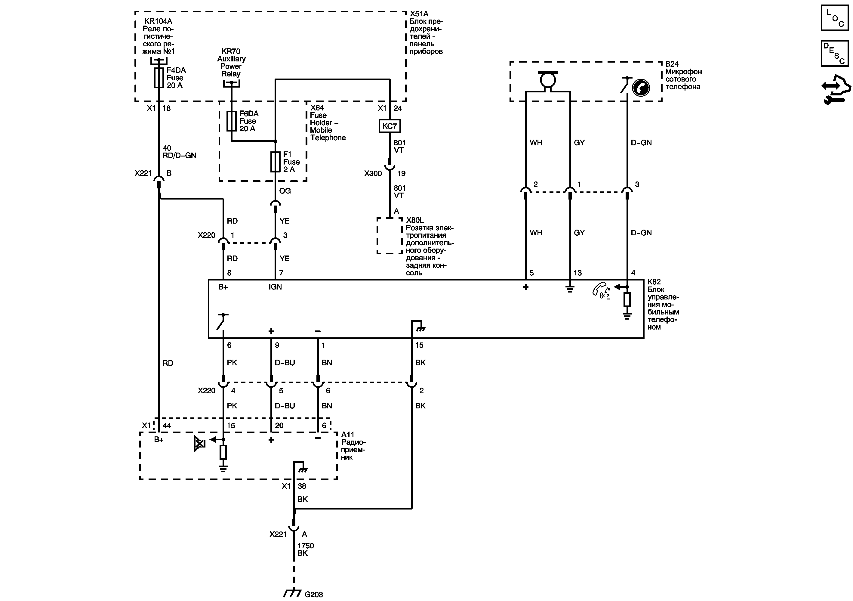
Сотовый телефон Схема

Bluetooth (фирменный аксессуар Holden)



            |                         |            
2446844RU.png

Графический дисплей

   


https://vnx.su/ 🛠 Руководства по ремонту и эксплуатации для автомобилей

Поиск по сайту

Остались вопросы или пожелания? Пишите на почту: support@vnx.su

Карта Сайта