Cruze |
||||||||
|
|
|
|||||||

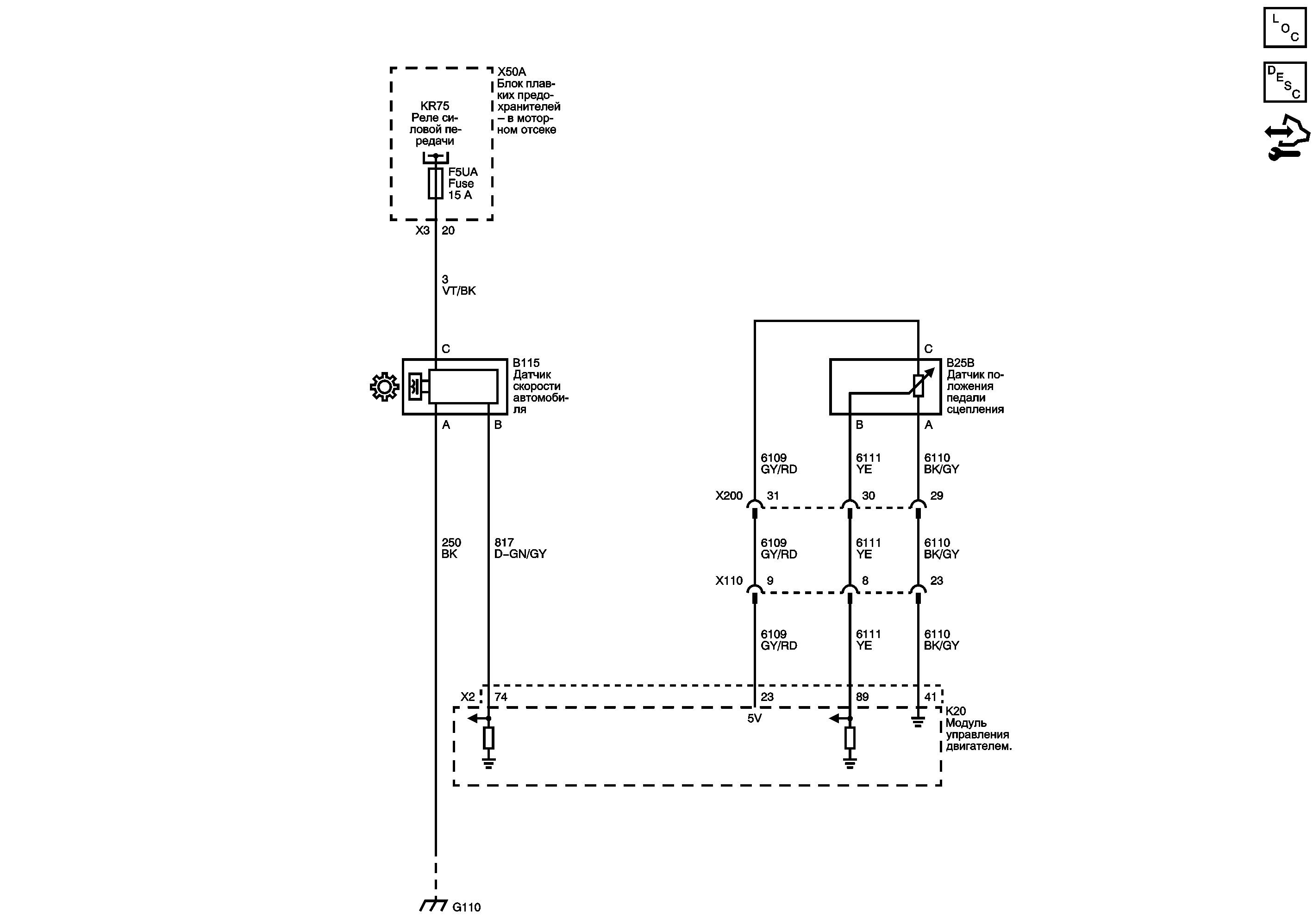
Список электрических компонентов управления
Трансмиссионная система Описание и принцип работы
Модуль управления Справочные сведения
Питание, масса, последовательные данные и лампа неисправности (MIL)
Предохранители F5UA, F13UA, F53UA и F65UA
| https://vnx.su/ 🛠 Руководства по ремонту и эксплуатации для автомобилей |