Cruze |
||||||||
|
|
|
|||||||

Список электрических компонентов управления
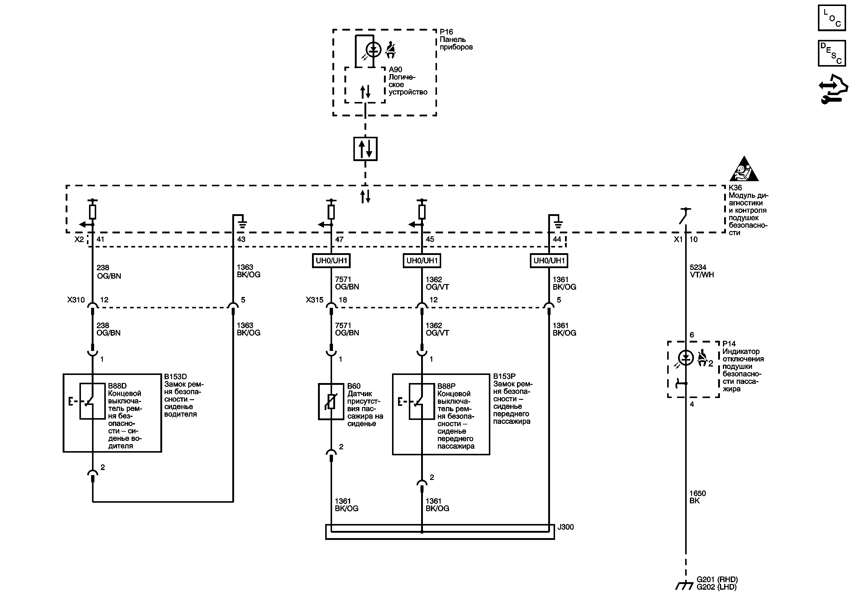
Система ремней безопасности, описание и работа
Модуль управления Справочные сведения
Значки на основной принципиальной электрической схеме
Схематические изображения распределителя массы
| https://vnx.su/ 🛠 Руководства по ремонту и эксплуатации для автомобилей |