Наверх документа
Cruze
   
Начальная страница GMDE Загрузить статическое оглавление Загрузить динамическое оглавление Помощь?

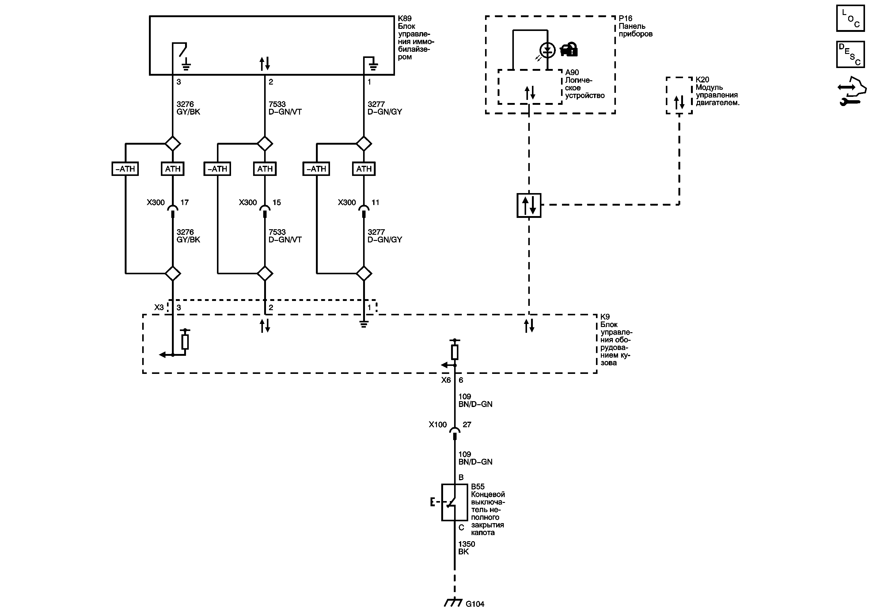
Схема иммобилизатора

Иммобилайзер



            |                         |            
2443755RU.png

Графический дисплей

Список электрических компонентов управления

Иммобилайзер Описание и принцип работы

Модуль управления Справочные сведения

Схемы обмена данными

G103, G104 и G105

   


https://vnx.su/ 🛠 Руководства по ремонту и эксплуатации для автомобилей

Поиск по сайту

Остались вопросы или пожелания? Пишите на почту: support@vnx.su

Карта Сайта