Cruze |
||||||||
|
|
|
|||||||

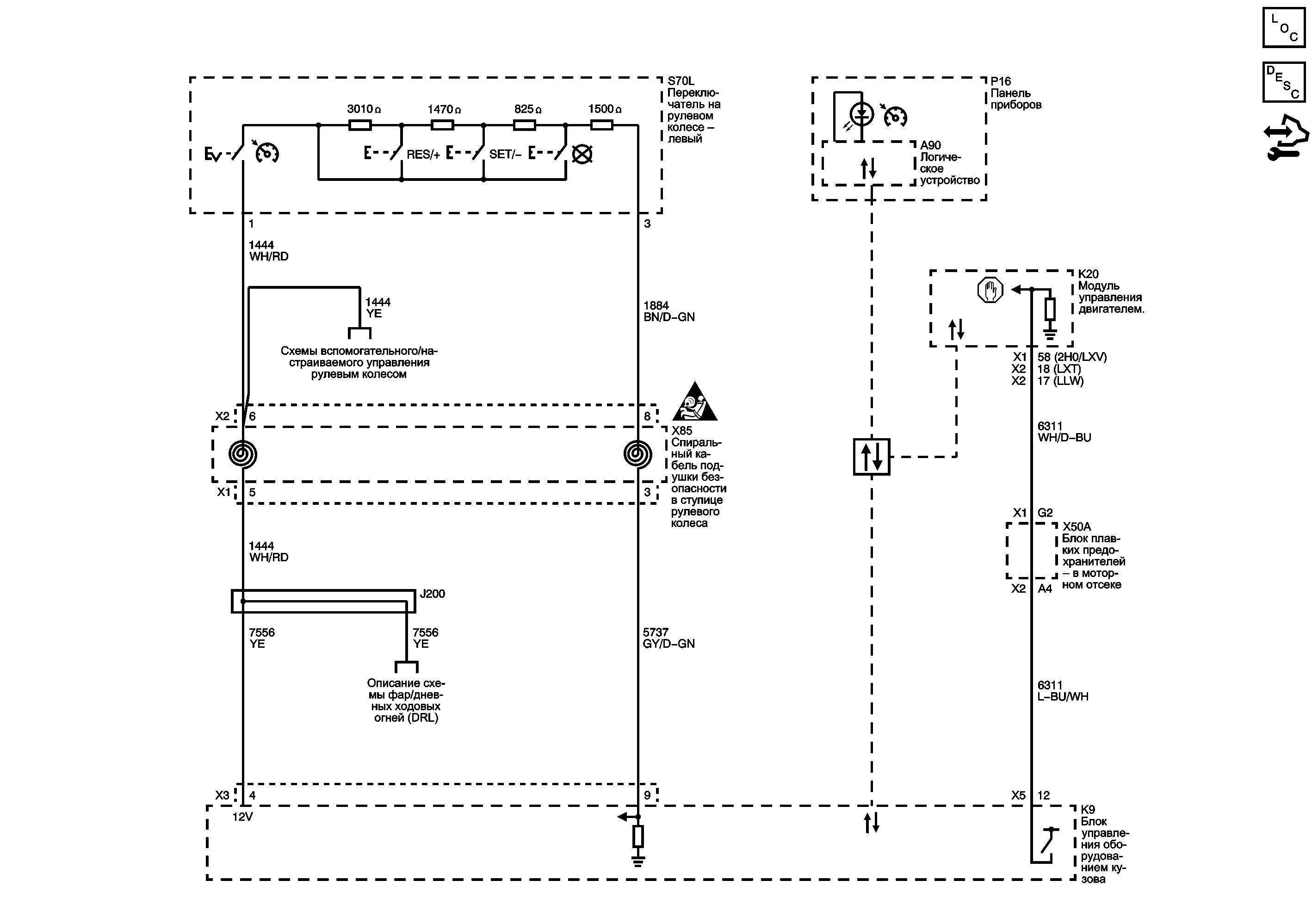
Список электрических компонентов управления
Система автоматического поддержания скорости движения Описание и принцип работы
Модуль управления Справочные сведения
| https://vnx.su/ 🛠 Руководства по ремонту и эксплуатации для автомобилей |