К верхней части документа
Cruze
   
Начальная страница GMDE Загрузить статическое содержание Загрузить динамическое содержание Справка?

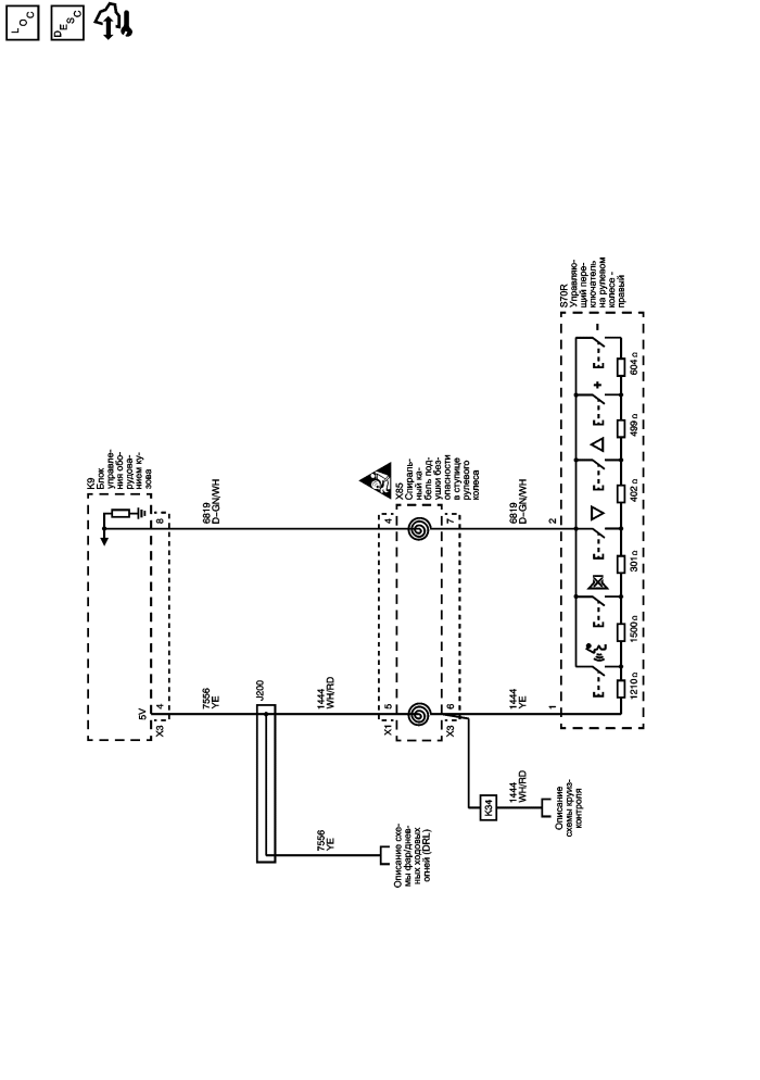
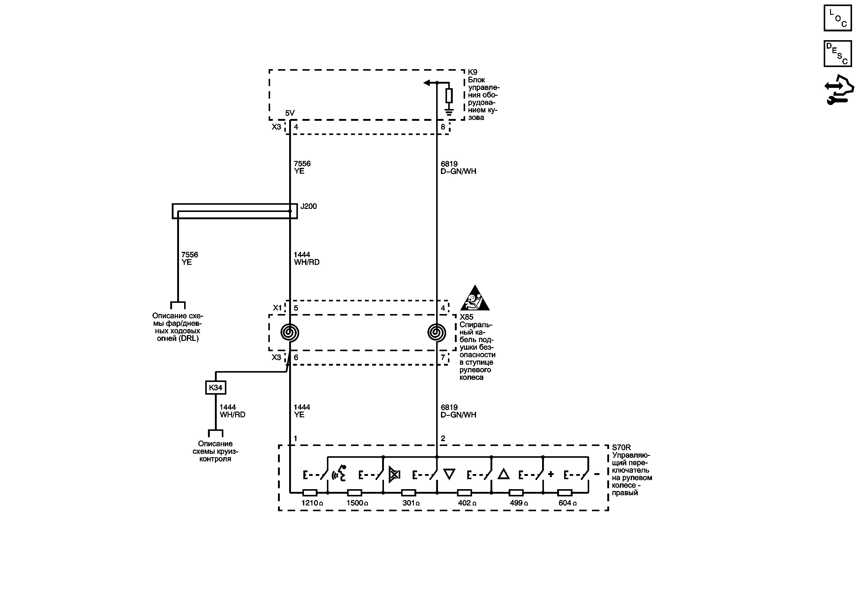
Схема дополнительных/программируемых органов управления рулевого колеса

W1Y



            |                         |            
2443532RU.png

Графический дисплей

Список электрических компонентов управления

Описание и принцип работы органов управления на рулевом колесе

   


https://vnx.su/ 🛠 Руководства по ремонту и эксплуатации для автомобилей

Поиск по сайту

Остались вопросы или пожелания? Пишите на почту: support@vnx.su

Карта Сайта