Cruze |
||||||||
|
|
|
|||||||

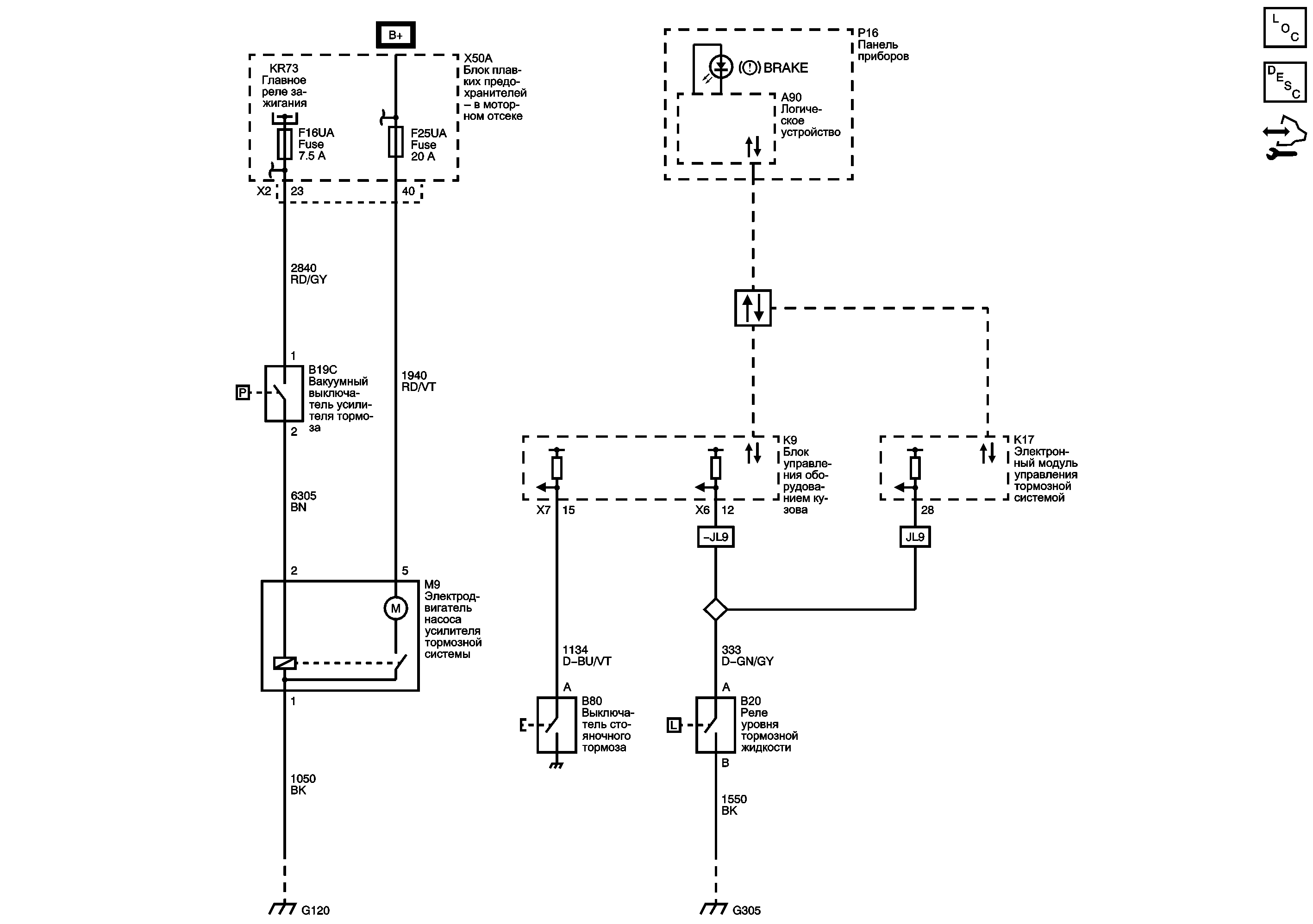
Перечень основных электрических компонентов
Описание и порядок работы гидравлической тормозной системы
Модуль управления Справочные сведения
Предохранители F2UA, F21UA, F25UA, F27UA, F31UA, F32UA, F34UA, F35UA, F69UA и F70UA
Предохранители F16UA, F17UA, F18UA, F20UA, F52UA, F54UA и F57UA
| https://vnx.su/ 🛠 Руководства по ремонту и эксплуатации для автомобилей |