К верхней части документа
Cruze
   
Начальная страница GMDE Загрузить статическое содержание Загрузить динамическое содержание Справка?

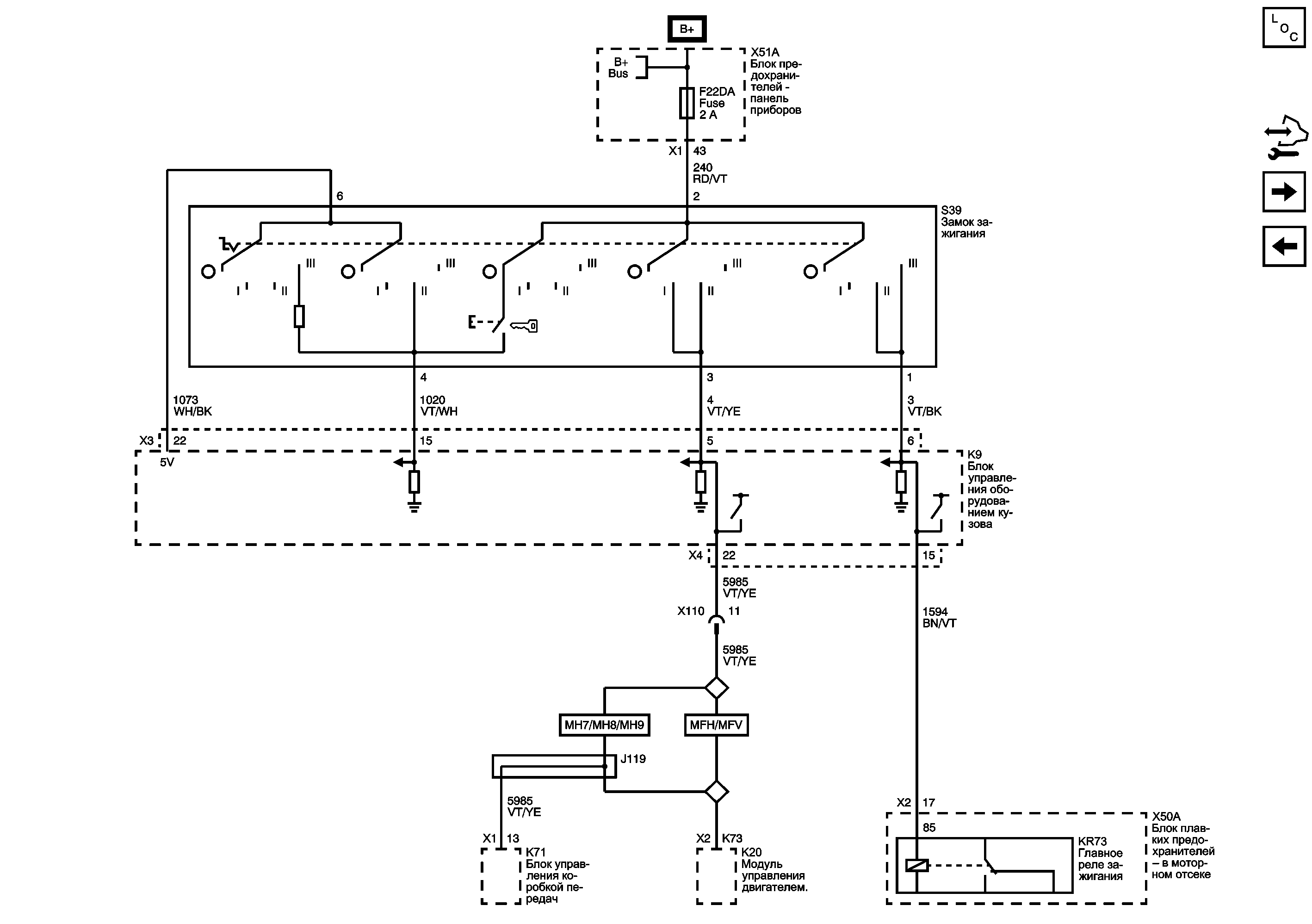
Выключатель зажигания и предохранитель F22DA (без ATH)



            |                         |            
2443725RU.png

Графический дисплей

Список электрических компонентов управления

Модуль управления Справочные сведения

Выключатель зажигания и предохранитель F22DA (ATH)

Автоматические выключатели F12DA и F13DA и предохранители F14DA, F15DA, F17DA, F21DA, F23DA, F24DA и F25DA

   


https://vnx.su/ 🛠 Руководства по ремонту и эксплуатации для автомобилей

Поиск по сайту

Остались вопросы или пожелания? Пишите на почту: support@vnx.su

Карта Сайта