Cruze |
||||||||
|
|
|
|||||||

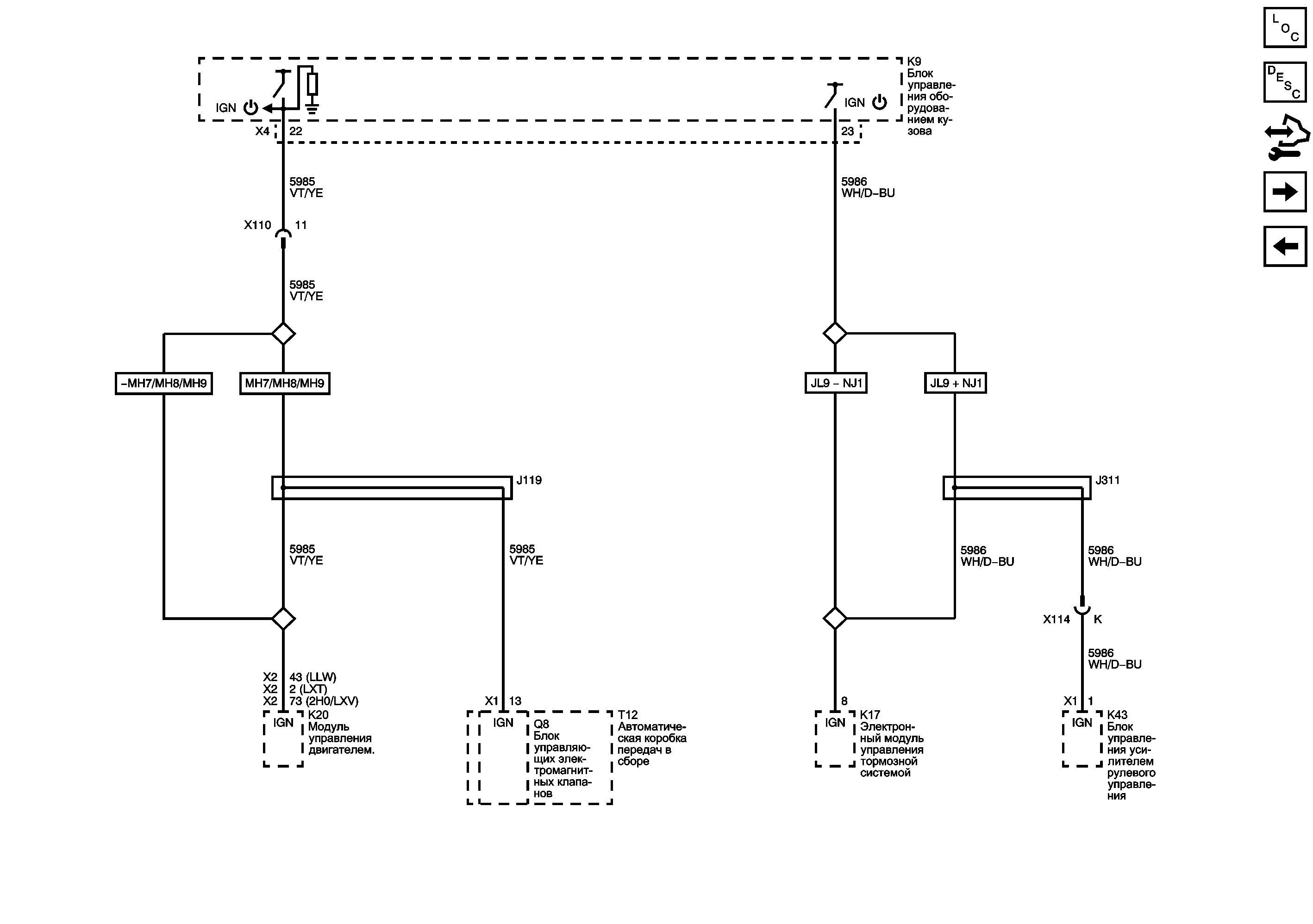
Список электрических компонентов управления
Описание и функционирование каналов обмена данными
Модуль управления Справочные сведения
Последовательные данные линейной сети связи (LIN)
| https://vnx.su/ 🛠 Руководства по ремонту и эксплуатации для автомобилей |