К верхней части документа
Cruze
   
Начальная страница GMDE Загрузить статическое содержание Загрузить динамическое содержание Справка?

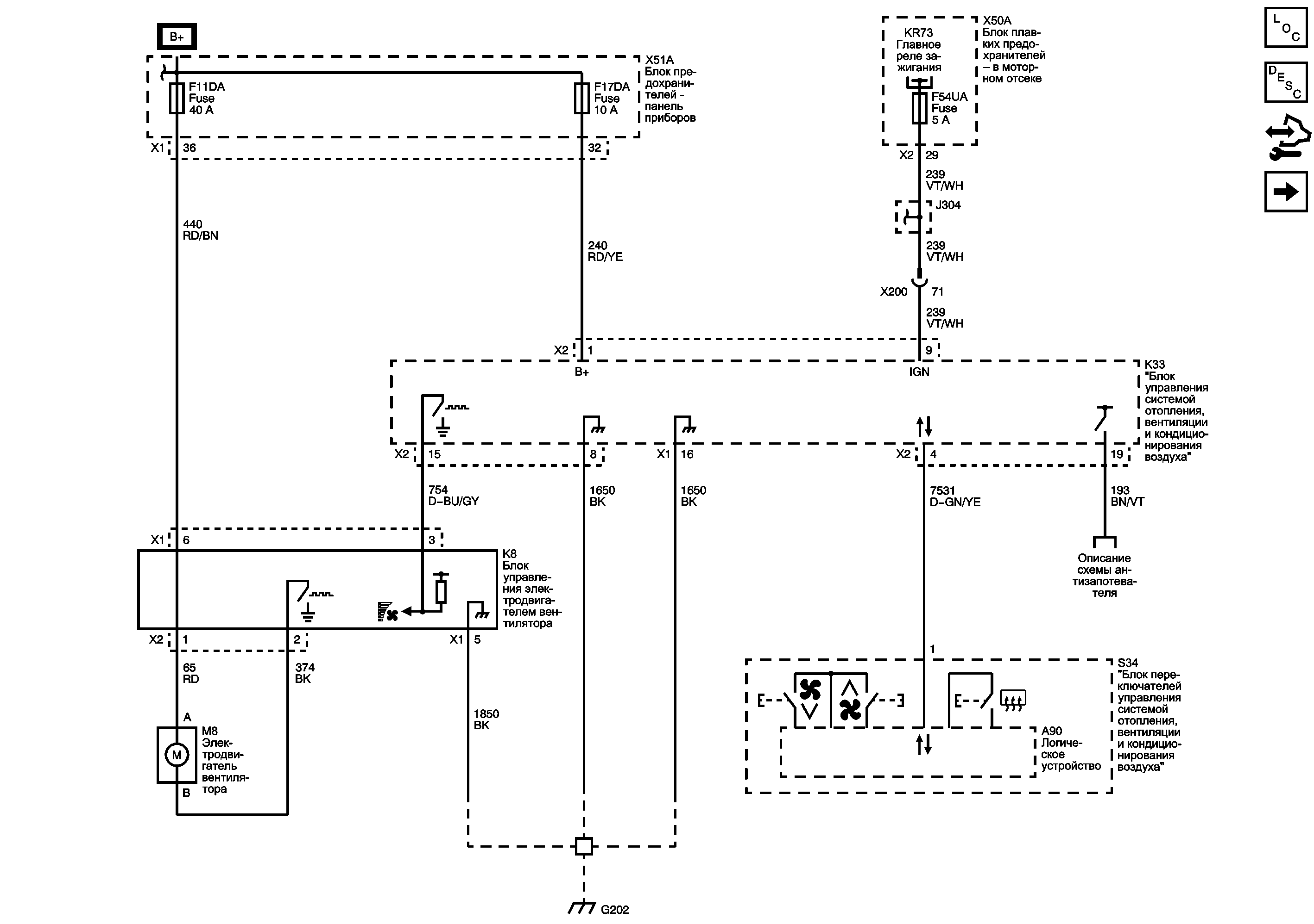
Питание модуля и масса, орган управления вентилятором и последовательные данные



            |                         |            
2443701RU.png

Графический дисплей

Список электрических компонентов управления

Описание и принцип работы системы отопления, вентиляции и кондиционирования воздуха с ручным регулированием

Модуль управления Справочные сведения

Органы управления подачей воздуха и температурой

Автоматические выключатели F12DA и F13DA и предохранители F14DA, F15DA, F17DA, F21DA, F23DA, F24DA и F25DA

Предохранители F16UA, F17UA, F18UA, F20UA, F52UA, F54UA и F57UA

Предохранители F3DA, F3UD, F6UD, F8DA, F9DA, F10DA, F11DA и F16DA

Схемы обмена данными

G202

   


https://vnx.su/ 🛠 Руководства по ремонту и эксплуатации для автомобилей

Поиск по сайту

Остались вопросы или пожелания? Пишите на почту: support@vnx.su

Карта Сайта