Cruze |
||||||||
|
|
|
|||||||

Список электрических компонентов управления
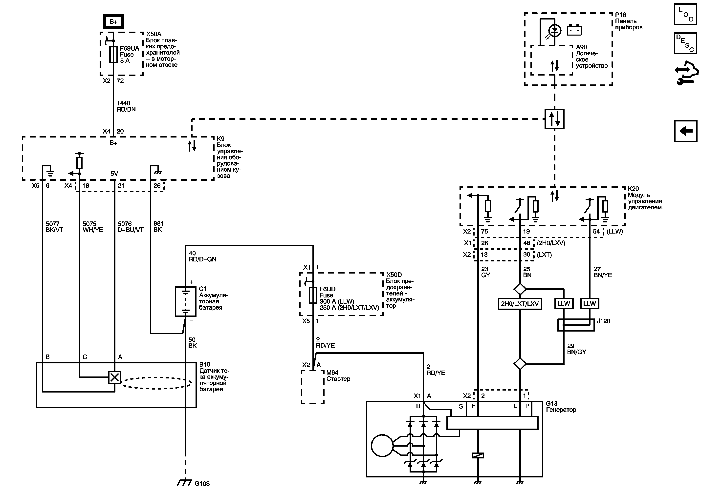
Описание и работа зарядной системы
Модуль управления Справочные сведения
Предохранители F2UA, F21UA, F25UA, F27UA, F31UA, F32UA, F34UA, F35UA, F69UA и F70UA
Предохранители F3DA, F3UD, F6UD, F8DA, F9DA, F10DA, F11DA и F16DA
| https://vnx.su/ 🛠 Руководства по ремонту и эксплуатации для автомобилей |