Cruze |
||||||||
|
|
|
|||||||

Список электрических компонентов управления
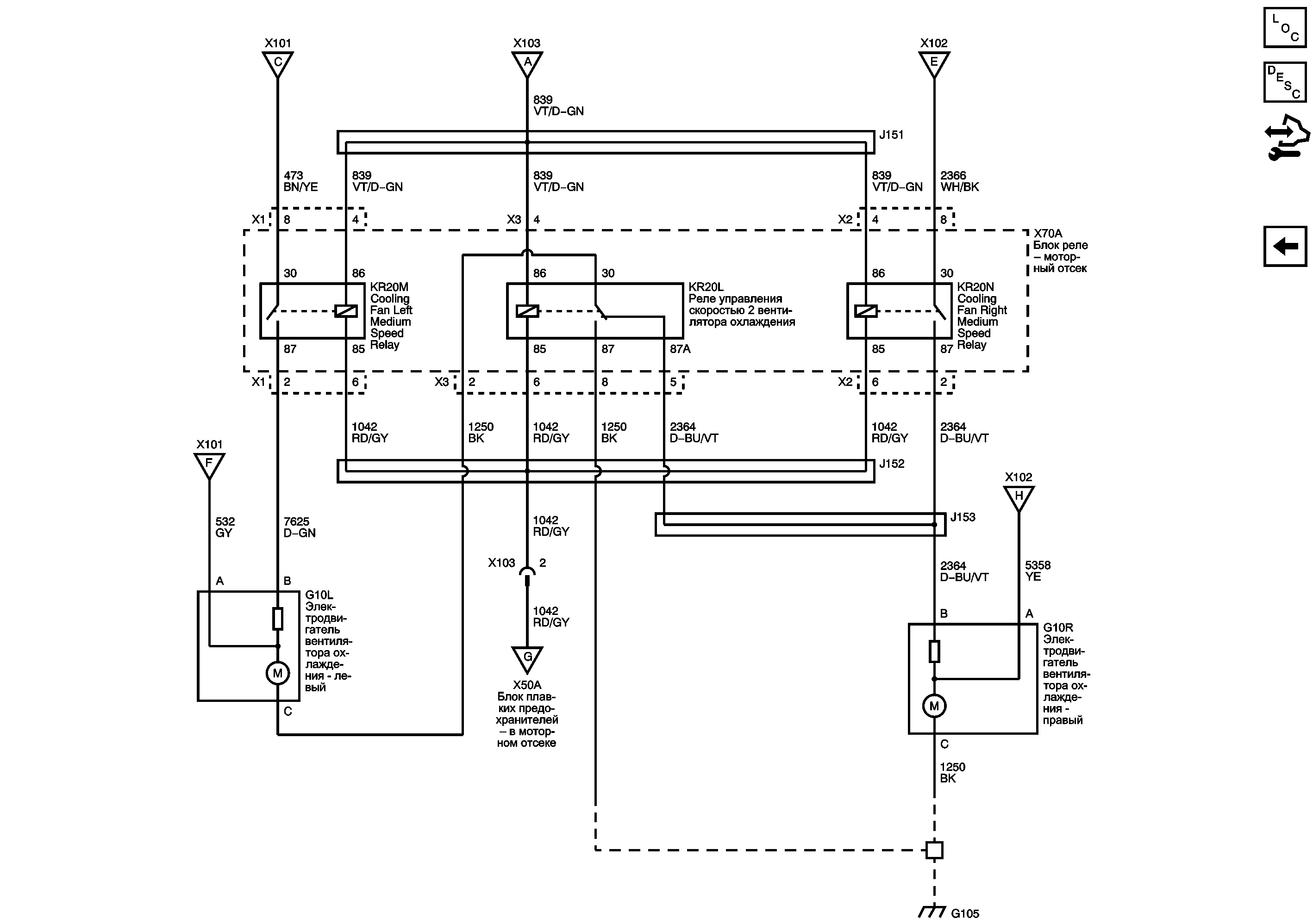
Описание и принцип работы cистемы охлаждения (2.0L дизель LLW)
Модуль управления Справочные сведения
Электрический центр - Обозначение - Иллюстрации
| https://vnx.su/ 🛠 Руководства по ремонту и эксплуатации для автомобилей |