Cruze |
||||||||
|
|
|
|||||||

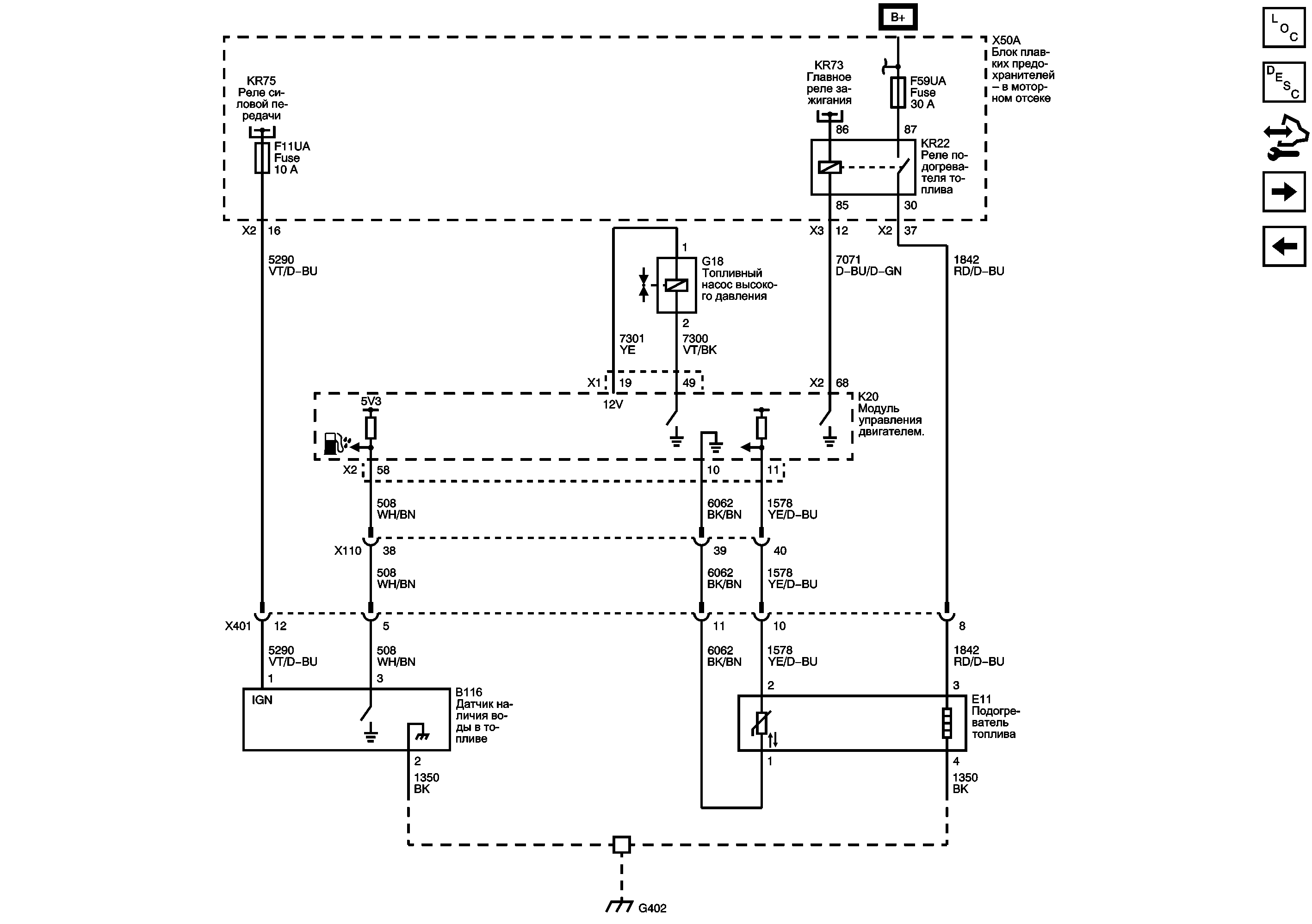
Список электрических компонентов управления
Модуль управления Справочные сведения
Контролируемые/отслеживаемые обращения к подсистеме
Датчики данных двигателя - выхлопная система и турбокомпрессор
Предохранители F5UB, F6UB, F24UA, F45UA и F48UA
Электрический центр - Обозначение - Иллюстрации
Предохранители F47UA, F59UA и F62UA
| https://vnx.su/ 🛠 Руководства по ремонту и эксплуатации для автомобилей |