Cruze |
||||||||
|
|
|
|||||||

Список электрических компонентов управления
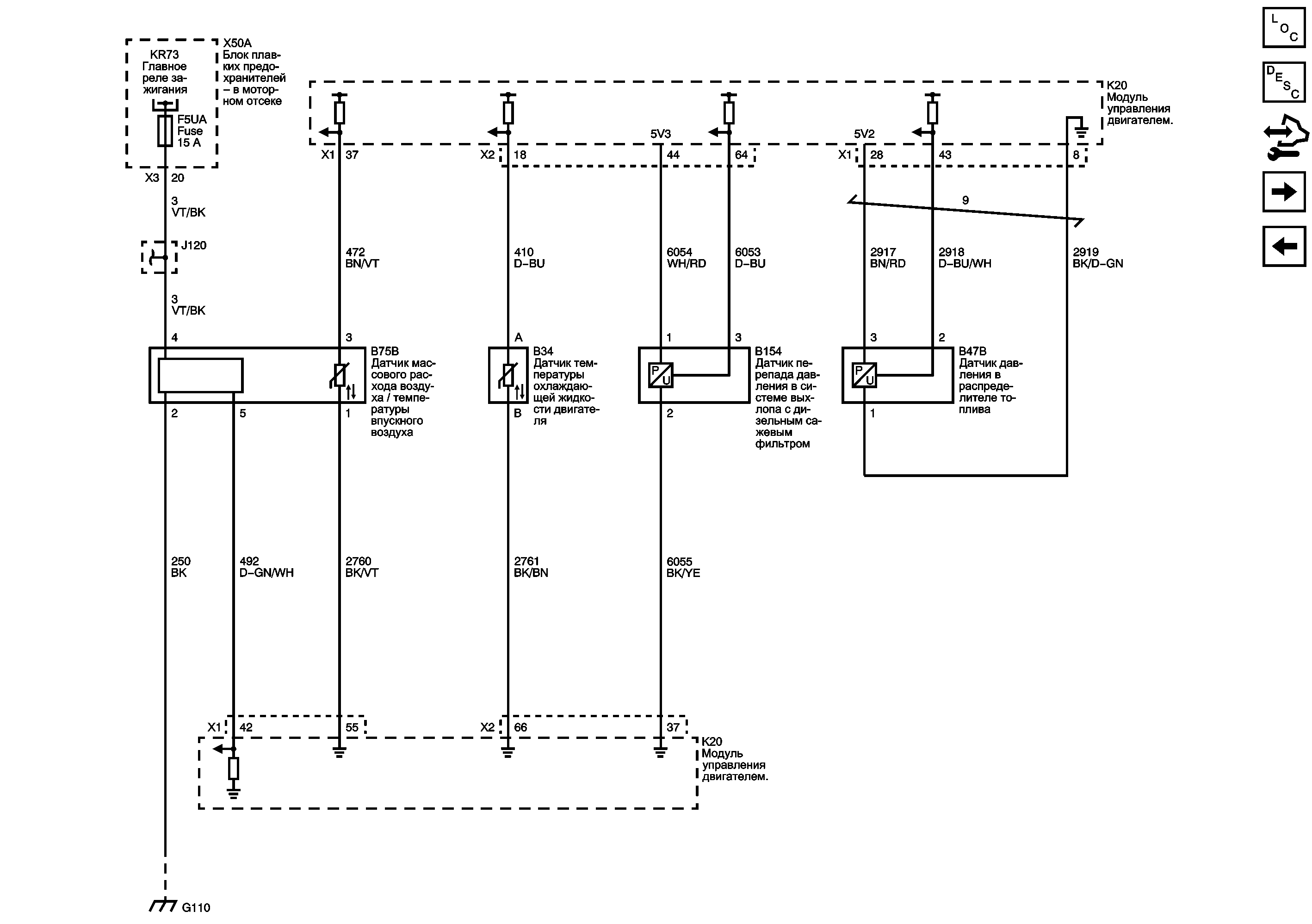
Модуль управления Справочные сведения
Органы управления дроссельной заслонкой и датчики положения
5V3 и шина низкого опорного сигнала (2 из 2)
| https://vnx.su/ 🛠 Руководства по ремонту и эксплуатации для автомобилей |