Cruze |
||||||||
|
|
|
|||||||

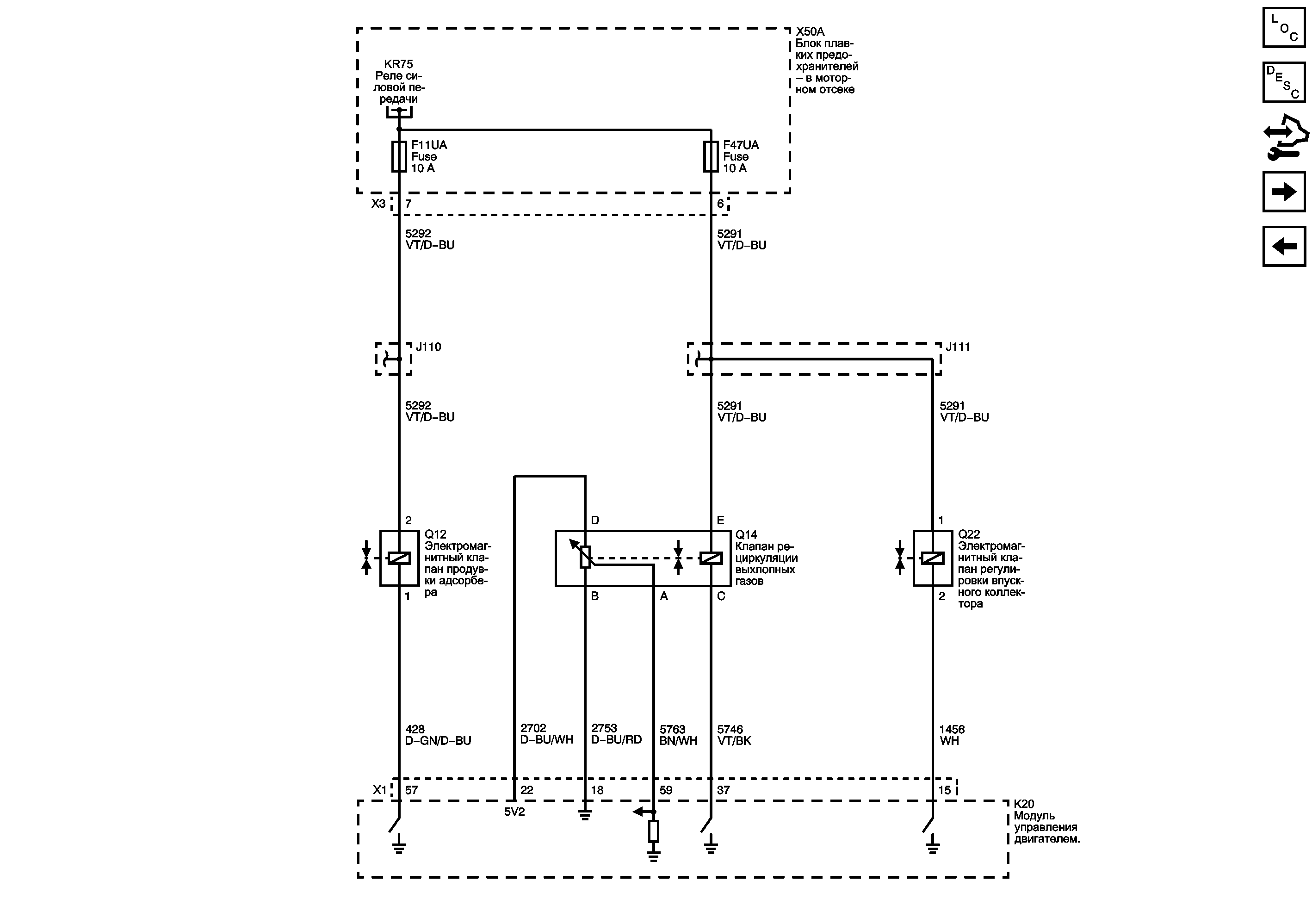
Список электрических компонентов управления
Модуль управления Справочные сведения
Органы управления топливом - топливные форсунки, топливный насос, селектор октанового числа
Электрический центр - Обозначение - Иллюстрации
Предохранители F8UA, F9UA, F10UA и F11UA
| https://vnx.su/ 🛠 Руководства по ремонту и эксплуатации для автомобилей |