Cruze |
||||||||
|
|
|
|||||||

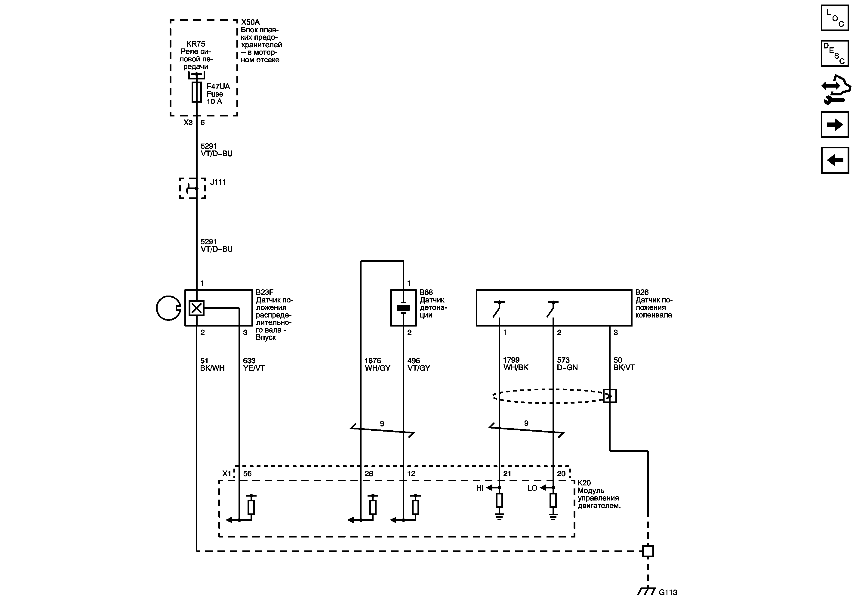
Список электрических компонентов управления
Модуль управления Справочные сведения
Органы управления топливом - топливные форсунки, топливный насос, селектор октанового числа
Датчики кислорода и система зажигания
Электрический центр - Обозначение - Иллюстрации
Предохранители F47UA, F59UA и F62UA
Схематические обозначения электрических элементов управления
| https://vnx.su/ 🛠 Руководства по ремонту и эксплуатации для автомобилей |