Cruze |
||||||||
|
|
|
|||||||

Список электрических компонентов управления
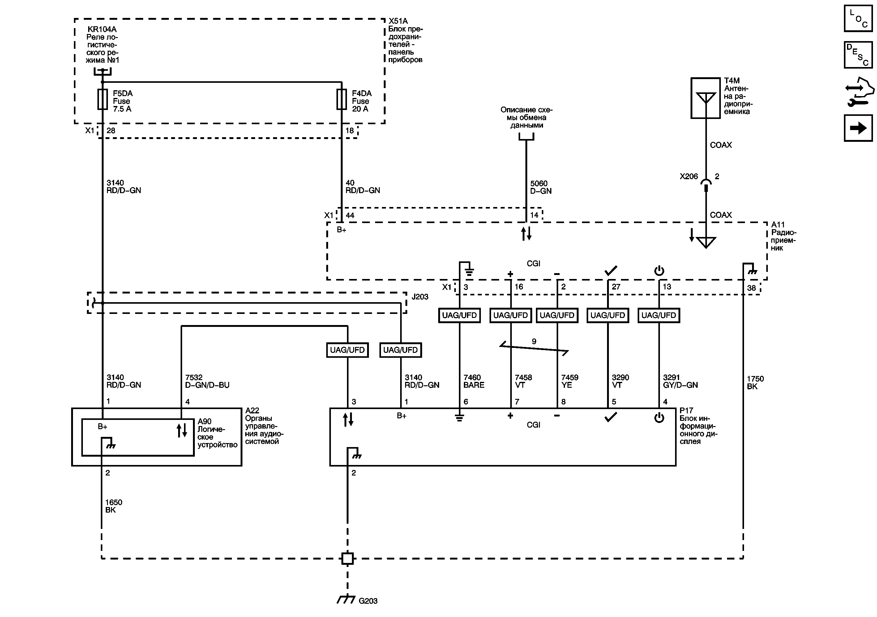
Радио/аудиосистема, описание и принципы работы
Модуль управления Справочные сведения
Дверные динамики (LHD без UQG)
Электрический центр - Обозначение - Иллюстрации
Предохранители F1DA, F4DA, F5DA, F6DA и F7DA
Предохранители F2UA, F21UA, F25UA, F27UA, F31UA, F32UA, F34UA, F35UA, F69UA и F70UA
| https://vnx.su/ 🛠 Руководства по ремонту и эксплуатации для автомобилей |