Cruze |
||||||||
|
|
|
|||||||

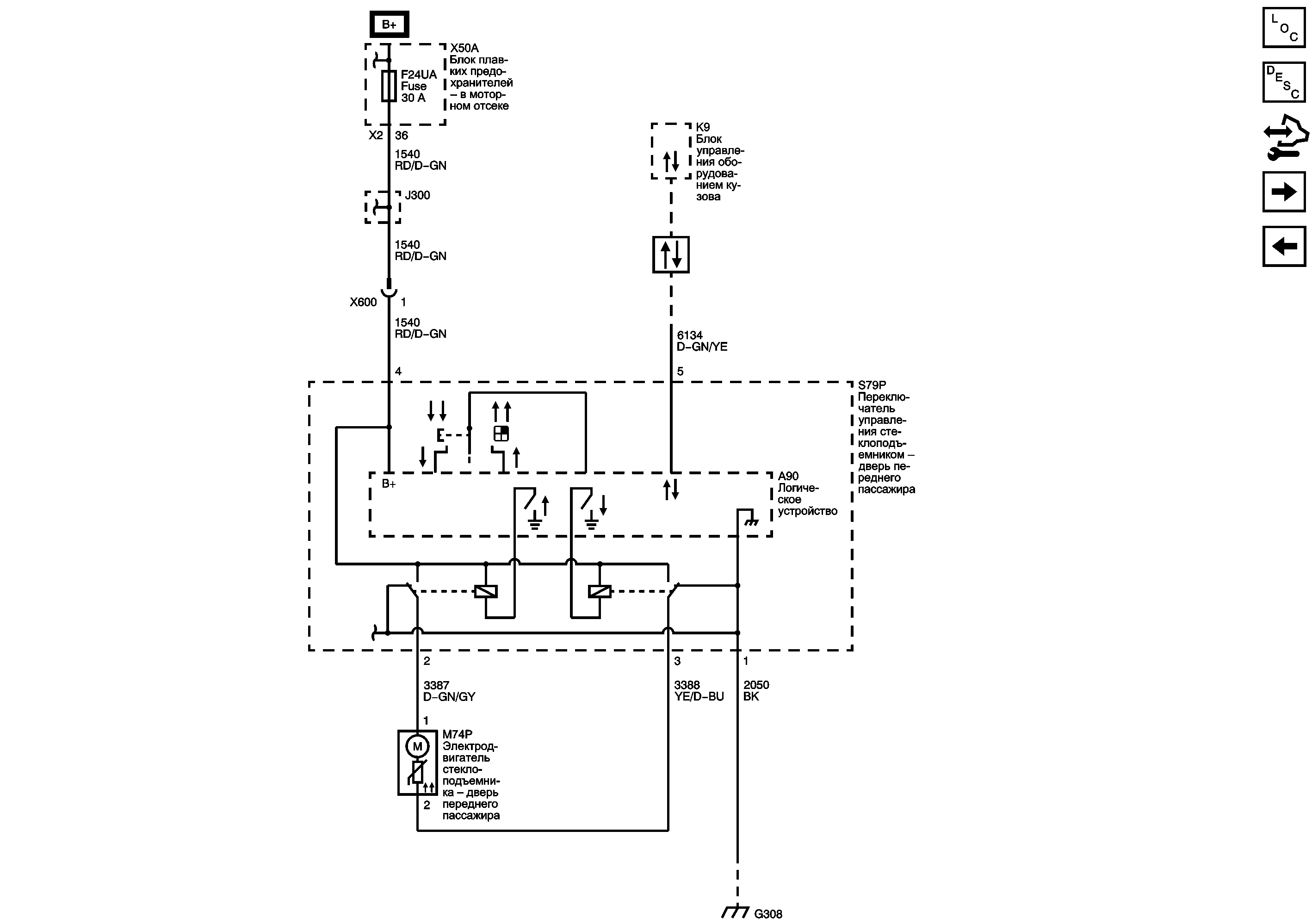
Список электрических компонентов управления
Стеклоподъемники с электроприводом Описание и принцип работы
Модуль управления Справочные сведения
Предохранители F5UB, F6UB, F24UA, F45UA и F48UA
| https://vnx.su/ 🛠 Руководства по ремонту и эксплуатации для автомобилей |