Captiva |
||||||||
|
|
|
|||||||

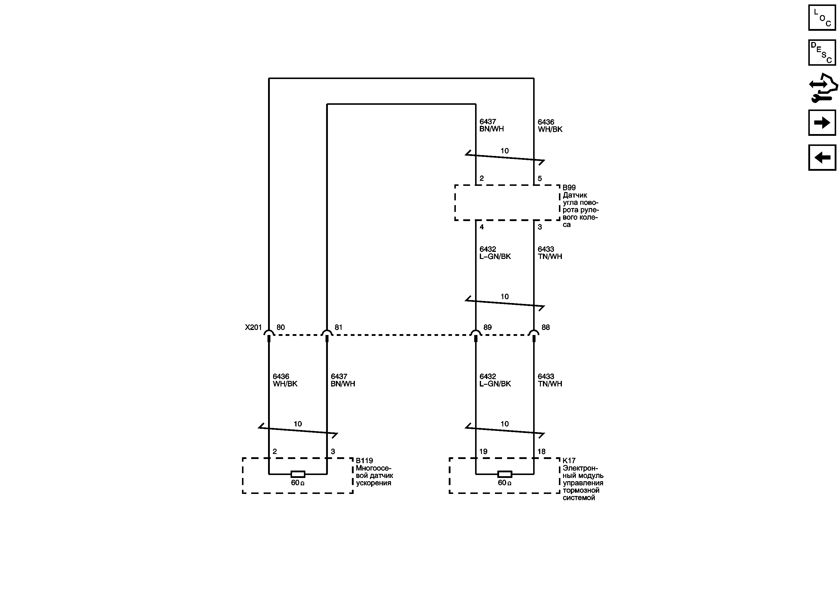
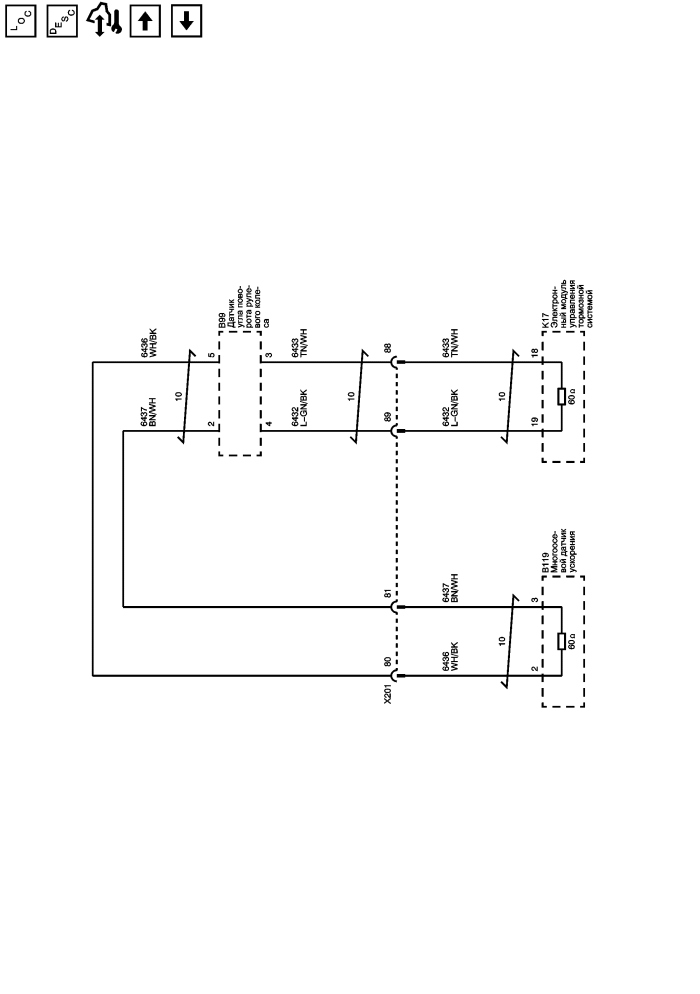
Список электрических компонентов управления
Описание и функционирование каналов обмена данными
Модуль управления Справочные сведения
Обмен последовательными данными включен и вывод из спящего режима вспомогательных приборов
Схематические обозначения электрических элементов управления
| https://vnx.su/ 🛠 Руководства по ремонту и эксплуатации для автомобилей |