Captiva |
||||||||
|
|
|
|||||||

Список электрических компонентов управления
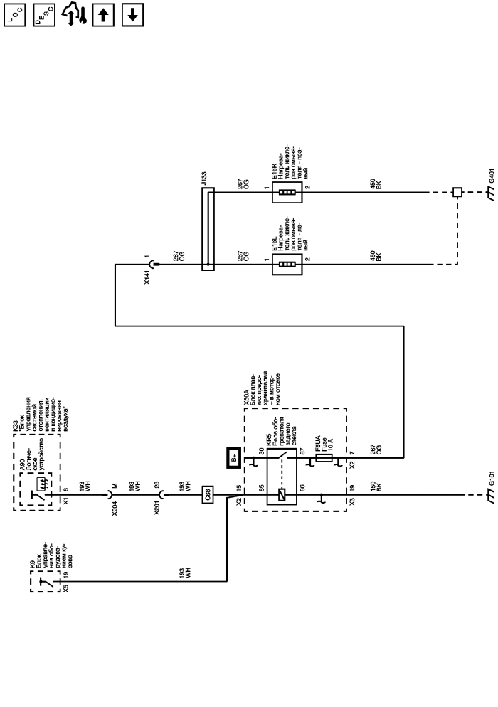
Стеклоочиститель/стеклоомыватель, описание и работа
Модуль управления Справочные сведения
Система задних стеклоочистителей (короткая колесная база)
Внешние виды обозначения электрического блока
G101 (2 из 2), G103, G202 и G204
| https://vnx.su/ 🛠 Руководства по ремонту и эксплуатации для автомобилей |