Наверх документа
Captiva
   
Начальная страница GMDE Загрузить статическое оглавление Загрузить динамическое оглавление Помощь?

Замена передней трубки - le5


2443990

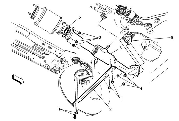
Выноска

Название компонента

Предупреждение. См. Предупреждение о горячей выпускной системе во введении.

Предварительная процедура

Поднять и подпереть автомобиль. См. Подъем и пользование домкратом на автомобиле .

1

Болт крепления передней распорки опоры (кол-во: 4)

Осторожно: См. Предупреждение о крепежных деталях во введении.

Затянуть
30 Н·м (22 фунто фут)

2

Скоба выхлопной системы

3

Гайки 3-ходового каталитического нейтрализатора (3 шт.)

Затянуть
30 Н·м (22 фунто фут)

4

Гайка каталитического нейтрализатора (3 шт.)

Затянуть
50 Н·м (37 фунт-футов)

5

Прокладка

Подсказка
Установить НОВЫЕ уплотнения.

6

Передняя труба выпускного коллектора

   


https://vnx.su/ 🛠 Руководства по ремонту и эксплуатации для автомобилей

Поиск по сайту

Остались вопросы или пожелания? Пишите на почту: support@vnx.su

Карта Сайта