Наверх документа
Captiva
   
Начальная страница GMDE Загрузить статическое оглавление Загрузить динамическое оглавление Помощь?

Замена положительного и отрицательного проводов аккумуляторной батареи - lf1

Процедура демонтажа

  1. Зарегистрировать в памяти все фиксированные настройки на радиостанции.

  2. 2446738
  3. Отвернуть гайку (1) и снять клемму (2) жгута проводов кузова с клеммного штыря аккумуляторной батареи для отрицательного провода.
  4. Отсоединить минусовой провод аккумуляторной батареи. См. Отрицательный провод аккумуляторной батареи Отсоединение и подсоединение .
  5. Снять крышку с блока предохранителей под капотом.

  6. 2446740
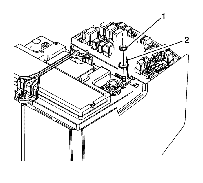
  7. Отвернуть гайку (1) отрицательного провода аккумуляторной батареи и снять клемму (2) с блока предохранителей под капотом.

  8. 2446741
  9. Отвернуть гайку (2) положительного провода аккумуляторной батареи и отсоединить провод (3) от блока предохранителей.
  10. Слегка отвернуть гайку (1) положительного зажима аккумуляторной батареи и снять положительный провод с аккумуляторной батареи.

  11. 2446969
  12. Отвернуть винт (1) термозащитного щитка стартера и снять термозащитный щиток (2) со стартера.

  13. 2446968
  14. Отвернуть гайку (1) положительного провода аккумуляторной батареи от тягового реле стартера. Снять положительный провод (2) аккумуляторной батареи со стартера.

  15. 2446967
  16. Отвернуть болт (1) массы отрицательного провода аккумуляторной батареи от блока цилиндров.
  17. Снять крепления (2) положительного и отрицательного проводов аккумуляторной батареи к двигателю.

  18. 2446734

    Примечание: Соблюдать план прокладки положительного и отрицательного проводов аккумуляторной батареи в моторном отсеке.

  19. Снять положительный и отрицательный провода (1) аккумуляторной батареи и вынуть их из моторного отсека.

Процедура установки

    Осторожно: См. Предупреждение о крепежных деталях во введении.


    2446968
  1. Установить положительный провод (2) аккумуляторной батареи и проводную перемычку (3) генератора на тяговое реле стартера. Затянуть гайку (1) с моментом затяжки 10 Н·м (89 фунт дюйм).

  2. 2446969
  3. Установить термозащитный щиток (2) на стартер и прикрепить его винтом (1).

  4. 2446967
  5. Завернуть болт (1) отрицательного провода аккумуляторной батареи в блок цилиндров и затянуть его с моментом затяжки 25 Н·м (18 фунт фут).
  6. Установить крепления (2) положительного и отрицательного проводов аккумуляторной батареи к двигателю.

  7. 2446741
  8. Установить положительный провод (3) аккумуляторной батареи, привернуть гайку (2) к блоку предохранителей в моторном отсеке и затянуть ее с моментом затяжки 10 Н·м (89 фунт дюйм).
  9. Установить зажим положительного провода аккумуляторной батареи на клеммный штырь аккумуляторной батареи и затянуть гайку (1) с моментом затяжки 10 Н·м (89 фунт дюйм).

  10. 2446740
  11. Установить отрицательный провод (2) аккумуляторной батареи, привернуть гайку (1) к блоку предохранителей и затянуть ее с моментом затяжки 12 Н·м (106 фунт дюйм).
  12. Присоединить отрицательный провод аккумуляторной батареи к батарее. См. Отрицательный провод аккумуляторной батареи Отсоединение и подсоединение

  13. 2446738
  14. Установить клемму жгута проводов кузова (2) на отрицательный клеммный штырь аккумуляторной батареи и затянуть гайку (1) с моментом затяжки 10 Н·м (89 фунт дюйм).
  15. Установить крышку блока предохранителей.
  16. Выполнить сброс фиксированных настроек радиоканала.
   


https://vnx.su/ 🛠 Руководства по ремонту и эксплуатации для автомобилей

Поиск по сайту

Остались вопросы или пожелания? Пишите на почту: support@vnx.su

Карта Сайта