Captiva |
||||||||
|
|
|
|||||||

Перечень основных электрических компонентов
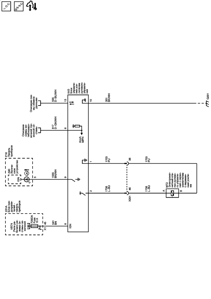
Описание и принцип работы системы рулевого управления с сервоусилителем
Модуль управления Справочные сведения
Предохранители F27DA, F28DA, F29DA и F52DA
Предохранители F1DA, F5DA, F6DA, F9DA, F19DA, F29UA, F50DA и F51DA
| https://vnx.su/ 🛠 Руководства по ремонту и эксплуатации для автомобилей |