Captiva |
||||||||
|
|
|
|||||||

Список электрических компонентов управления
Задний люк/дверь, описание и работа
Модуль управления Справочные сведения
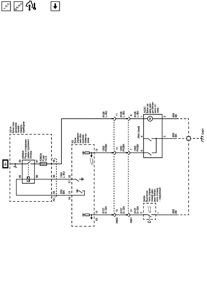
Деблокировка двери багажного отделения (длинная колесная база)
Внешние виды обозначения электрического блока
Предохранители F4DA, F10DA, F11DA, F16DA, F26DA, F44DA и F45DA
| https://vnx.su/ 🛠 Руководства по ремонту и эксплуатации для автомобилей |