Наверх документа
Captiva
   
Начальная страница GMDE Загрузить статическое оглавление Загрузить динамическое оглавление Помощь?

Ремонт резьбы

Специальный инструмент

    • en 42385-700 Высококачественный ремкомплект для ремонта резьбовых соединений
    • en 42385-2000 Комплект резьбовых вкладышей
    • en 43965 Комплект удлинителей для ремонта резьбовых соединений

Эквивалентные местные инструменты см. Специальный инструмент .

Процесс ремонта резьбы заключается в применении сплошных, тонкостенных, самоконтрящихся вкладышей втулочного типа из углеродистой стали. Во время процедуры установки вкладыша установочный инструмент осуществляет холодную прокатку внутренней резьбы и расширяет наружную резьбу вкладышей в базовом материале. Это действие осуществляет механическую фиксацию вкладыша на штатном месте.


613176

Сверло и инструмент для расточки из комплекта инструментов en 42385-700 и комплект вкладышей en 42385-2000 предназначены для применения подходящего воротка или электродрели. В условиях ограниченного доступа и для ремонта резьбы в отверстиях большого диаметра лучше подходит применение воротка. Удлинитель из комплекта удлинителей en 43965 может оказаться необходимым для применения инструментов для ремонта резьбы на входе в ремонтируемое отверстие. При нарезании резьбы в отверстии и установке вкладыша следует использовать только вороток.


623356

Очень важно, чтобы при высверливании, расточке и нарезании резьбы в ремонтируемом отверстии осевая линия первоначального отверстия сохраняла свое положение.


623359

Во время высверливания ремонтируемого отверстия и нарезания в нем резьбы следует обеспечить надежное перпендикулярное положение инструментов относительно поверхности базового материала.


1447992

Если ремонтируемое резьбовое отверстие имеет базовую поверхность, перпендикулярную осевой линии отверстия, то для облегчения нарезания резьбы в отверстии в распоряжении имеются направляющие для нарезания резьбы.

Размер метчика

Направляющая метчика

Размер метчика

Направляющая метчика

Размер метчика

Направляющая метчика

-

en 42385-

-

en 42385-

-

en 42385-

6 x 1.0

729

10 x 1.5

731

14 x 1.5

736

8 x 1.25

730

12 x 1.5

732

20 x 1.5

737

Ремонт стандартной резьбы - Заподлицо с отверстием


320675

Предупреждение. См. Предупреждение о защитных очках во введении.

Примечание При выполнении процедур сверления, расточки и нарезания резьбы рекомендуется подавать в рабочую зону смазочно-охлаждающую жидкость. Рекомендованную смазочно-охлаждающую жидкость см. в Клеи, жидкости, смазки и герметики .

При установке вкладыша на надлежащую глубину торец (1) вкладыша будет плотно посажен в высверленном отверстии/отверстии с нарезанной резьбой и окажется чуть ниже поверхности (2) базового материала.


    607388

    Примечание: 

       • Во время процесса высверливания необходимо несколько раз извлекать сверло и вычищать стружку из отверстия и из каналов сверла.
       • ЗАПРЕЩАЕТСЯ выполнять сверление глубже первоначального отверстия.

  1. Высверлить резьбу из поврежденного отверстия.
  2. Спецификации

        • Вкладыши M6 требуют минимальной глубины высверливания 15 мм (0,59 дюйма).
        • Вкладыши M8 требуют минимальной глубины высверливания 20 мм (0,79 дюйма).
        • Вкладыши M10 требуют минимальной глубины высверливания 23,5 мм (0,93 дюйма).

    623361

    Примечание: Перед нарезанием резьбы необходимо удалить из высверленного отверстия всю стружку.

  3. С помощью сжатого воздуха удалить всю стружку.

  4. 320672

    Примечание: Правильно расточенное отверстие имеет небольшое зашлифовывание поверхности базового материала по всей окружности 360 градусов вокруг высверленного отверстия.

  5. Расточить высверленное отверстие на полную глубину, которую позволяет инструмент (1).

  6. 623361

    Примечание: Перед нарезанием резьбы необходимо удалить из высверленного отверстия всю стружку.

  7. С помощью сжатого воздуха удалить всю стружку.

  8. 607400

    Примечание: 

       • Во время процесса нарезания резьбы необходимо несколько раз извлекать метчик и вычищать стружку из отверстия и из каналов метчика.
       • Следует обеспечить нарезание резьбы метчиком на полную длину не меньше глубины, равной длине вкладыша.

  9. С помощью подходящего воротка нарезать резьбу в высверленном отверстии только вручную.
  10. Спецификации

        • Вкладыши M6 требуют минимальной глубины нарезания резьбы 15 мм (0,59 дюйма).
        • Вкладыши M8 требуют минимальной глубины нарезания резьбы 20 мм (0,79 дюйма).
        • Вкладыши M10 требуют минимальной глубины нарезания резьбы 23,5 мм (0,93 дюйма).

    623361

    Примечание: Перед монтажом вкладыша необходимо удалить из отверстия с нарезанной резьбой всю стружку.

  11. С помощью сжатого воздуха удалить всю стружку.

  12. 623364
  13. В отверстие с нарезанной резьбой аэрозольным способом следует нанести очистительный раствор. См. рекомендации по использованию чистящих средств в Клеи, жидкости, смазки и герметики .

  14. 623361

    Примечание: Перед монтажом вкладыша необходимо удалить из отверстия с нарезанной резьбой всю стружку.

  15. С помощью сжатого воздуха удалить всю стружку.

  16. 313562

    Примечание: Запрещается смазывать маслом или иным материалом наружный диаметр (od) вкладыша.

  17. Смазать резьбу установочного инструмента (2) для вкладышей с EN 42385-110 (1).

  18. 313567
  19. Установить вкладыш (2) в установочный инструмент (1) для вкладышей.

  20. 313572
  21. Нанести герметик EN 42385-109 для фиксации резьбовых соединений LOCTITE 277® или аналогичный (1) на наружную резьбу вкладыша (2). См. рекомендации по использованию герметиков Клеи, жидкости, смазки и герметики .

  22. 320673
  23. Установить вкладыш (2) в отверстие с нарезанной резьбой только вручную.
  24. Примечание: Если вкладыш не пойдет по резьбе вниз до упора торца вкладыша в дно расточенной поверхности, следует сразу же извлечь его инструментом для извлечения винтов и проверить отсутствие в отверстии с нарезанной резьбой оставшихся стружек и/или неверно нарезанной резьбы.

  25. Установить вкладыш так, чтобы торец (2) вкладыша касался нижней поверхности расточенного отверстия.

  26. 613181

    Примечание: Установочный инструмент для вкладышей будет затянут до полного вворачивания сквозь вкладыш. Это допустимо. Выполняется формирование резьбы в нижней части вкладыша, и вкладыш механически фиксируется в резьбе базового материала.

  27. Продолжить вращение установочного инструмента (1) сквозь вкладыш (2).

  28. 320675
  29. Проверить надлежащую установку вкладыша в резьбовом отверстии. Надлежаще установленный вкладыш (1) будет расположен заподлицо или чуть ниже поверхности базового материала (2).

  30. 613183
  31. Для любого смонтированного вкладыша, который ограничивает или блокирует масляный канал или канал охлаждающей жидкости в двигателе (3), требуется высверлить масляный канал или канал охлаждающей жидкости в двигателе (4) до первоначального размера такого канала. После высверливания ограничивающего или блокирующего препятствия следует удалить стружку и вновь завернуть установочный инструмент для вкладышей сквозь вкладыш для устранения заусенцев, сформированных в результате высверливания масляного канала или канала охлаждающей жидкости в двигателе.

Ремонт резьбовых соединений в пазах


613187

Предупреждение. См. Предупреждение о защитных очках во введении.

Примечание: 

   • При выполнении процедур сверления, расточки и нарезания резьбы рекомендуется подавать в рабочую зону смазочно-охлаждающую жидкость, жидкость wd 40® или аналогичный раствор. Рекомендованную смазочно-охлаждающую жидкость см. в Клеи, жидкости, смазки и герметики .
   • ЗАПРЕЩАЕТСЯ снимать первоначальный упорный буртик с расточного сверла.

При установке вкладыша на надлежащую глубину торец (1) вкладыша коснется дна высверленного отверстия/отверстия с нарезанной резьбой (2).


    313570
  1. При необходимости установить упорный буртик (2) на расточное сверло (1).

  2. 607388

    Примечание: 

       • Во время процесса высверливания необходимо несколько раз извлекать сверло и вычищать стружку из отверстия и из каналов сверла.
       • Высверлить отверстие так, чтобы упорный буртик коснулся поверхности базового материала.

  3. Высверлить резьбу из поврежденного отверстия.

  4. 623361

    Примечание: Перед нарезанием резьбы необходимо удалить из высверленного отверстия всю стружку.

  5. С помощью сжатого воздуха удалить всю стружку.

  6. 607400

    Примечание: 

       • Во время процесса нарезания резьбы необходимо несколько раз извлекать метчик и вычищать стружку из отверстия и из каналов метчика.
       • Следует обеспечить нарезание резьбы метчиком на полную длину не меньше глубины, равной длине вкладыша.

  7. С помощью подходящего воротка нарезать резьбу в высверленном отверстии только вручную.

  8. 623361

    Примечание: Перед монтажом вкладыша необходимо удалить из отверстия с нарезанной резьбой всю стружку.

  9. С помощью сжатого воздуха удалить всю стружку.

  10. 623364
  11. В отверстие с нарезанной резьбой аэрозольным способом следует нанести очистительный раствор. См. рекомендации по использованию чистящих средств в Клеи, жидкости, смазки и герметики .

  12. 623361

    Примечание: Перед монтажом вкладыша необходимо удалить из отверстия с нарезанной резьбой всю стружку.

  13. С помощью сжатого воздуха удалить всю стружку.

  14. 313562

    Примечание: Запрещается смазывать маслом или иным материалом наружный диаметр (od) вкладыша.

  15. Смазать резьбу установочного инструмента (2) для вкладышей с EN 42385-110 (1).

  16. 313567
  17. Установить вкладыш (2) в установочный инструмент (1) для вкладышей.

  18. 313572
  19. Нанести герметик EN 42385-109 для фиксации резьбовых соединений LOCTITE 277® или аналогичный (1) на наружную резьбу вкладыша (2). См. рекомендации по использованию герметиков Клеи, жидкости, смазки и герметики .

  20. 613190
  21. Установить вкладыш (2) в отверстие с нарезанной резьбой только вручную.

  22. 613196

    Примечание: Если вкладыш не пойдет по резьбе вниз до упора торца вкладыша в дно расточенной поверхности, следует сразу же извлечь его инструментом для извлечения винтов и проверить отсутствие в отверстии с нарезанной резьбой оставшихся стружек и/или неверно нарезанной резьбы.

  23. Установить вкладыш так, чтобы торец (2) вкладыша касался нижней поверхности расточенного отверстия.

  24. 613197

    Примечание: Установочный инструмент для вкладышей будет затянут до полного вворачивания сквозь вкладыш. Это допустимо. Выполняется формирование резьбы в нижней части вкладыша, и вкладыш механически фиксируется в резьбе базового материала.

  25. Продолжить вращение установочного инструмента (1) сквозь вкладыш (2).

  26. 613187
  27. Проверить надлежащую установку (2) вкладыша (1) в резьбовом отверстии.

  28. 613201
  29. Для любого смонтированного вкладыша, который ограничивает или блокирует масляный канал или канал охлаждающей жидкости в двигателе (3), требуется высверлить масляный канал или канал охлаждающей жидкости в двигателе (4) до первоначального размера такого канала. После высверливания ограничивающего или блокирующего препятствия следует удалить стружку и вновь завернуть установочный инструмент для вкладышей сквозь вкладыш для устранения заусенцев, сформированных в результате высверливания масляного канала или канала охлаждающей жидкости в двигателе.

Ремонт трубной конической резьбы

На вкладыши для ремонта конической трубной резьбы наносят чистое серебряно-цинковое покрытие.


613203

Предупреждение. См. Предупреждение о защитных очках во введении.

Примечание: При выполнении процедур сверления, расточки и нарезания резьбы рекомендуется подавать в рабочую зону смазочно-охлаждающую жидкость, жидкость wd 40® или аналогичный раствор. Рекомендованную смазочно-охлаждающую жидкость см. в Клеи, жидкости, смазки и герметики .

При установке вкладыша на надлежащую глубину торец (1) вкладыша будет прижат к поверхности (2) базового материала высверленного отверстия/отверстия с нарезанной резьбой.


    607388

    Примечание: 

       • Во время процесса высверливания необходимо несколько раз извлекать сверло и вычищать стружку из отверстия и из каналов сверла.
       • Высверлить отверстие так, чтобы упорный буртик коснулся поверхности базового материала.

  1. Высверлить резьбу из поврежденного отверстия.

  2. 623361

    Примечание: Перед нарезанием резьбы необходимо удалить из высверленного отверстия всю стружку.

  3. С помощью сжатого воздуха удалить всю стружку.

  4. 607400

    Примечание: 

       • Во время процесса нарезания резьбы необходимо несколько раз извлекать метчик и вычищать стружку из отверстия и из каналов метчика.
       • Следует обеспечить нарезание резьбы метчиком на полную длину не меньше глубины, равной длине вкладыша.

  5. С помощью подходящего воротка нарезать резьбу в высверленном отверстии только вручную.

  6. 613206
  7. Нарезать резьбу в высверленном отверстии так, чтобы резьба в верхней части метчика (2) прошла вниз до поверхности базового материала.

  8. 623361

    Примечание: Перед монтажом вкладыша необходимо удалить из отверстия с нарезанной резьбой всю стружку.

  9. С помощью сжатого воздуха удалить всю стружку.

  10. 623364
  11. В отверстие с нарезанной резьбой аэрозольным способом следует нанести очистительный раствор. См. рекомендации по использованию чистящих средств в Клеи, жидкости, смазки и герметики .

  12. 623361

    Примечание: Перед монтажом вкладыша необходимо удалить из отверстия с нарезанной резьбой всю стружку.

  13. С помощью сжатого воздуха удалить всю стружку.

  14. 313562

    Примечание: Запрещается смазывать маслом или иным материалом наружный диаметр (od) вкладыша.

  15. Смазать резьбу установочного инструмента (2) для вкладышей с EN 42385-110 (1).

  16. 313567
  17. Установить вкладыш (2) в установочный инструмент (1) для вкладышей.

  18. 313572
  19. Нанести герметик EN 42385-109 для фиксации резьбовых соединений LOCTITE 277® или аналогичный (1) на наружную резьбу вкладыша (2). См. рекомендации по использованию герметиков Клеи, жидкости, смазки и герметики .

  20. 613209
  21. Установить вкладыш (2) в отверстие с нарезанной резьбой только вручную.

  22. 613211

    Примечание: Если вкладыш не пойдет по резьбе вниз до упора торца вкладыша в поверхность базового материала, следует сразу же извлечь его инструментом для извлечения винтов и проверить отсутствие в отверстии с нарезанной резьбой оставшихся стружек и/или неверно нарезанной резьбы.

  23. Установить вкладыш так, чтобы торец вкладыша (3) коснулся поверхности базового материала.
  24. Примечание: Установочный инструмент для вкладышей будет затянут до полного вворачивания сквозь вкладыш. Это допустимо. Выполняется формирование резьбы в нижней части вкладыша, и вкладыш механически фиксируется в резьбе базового материала.

  25. Продолжить вращение установочного инструмента (1) до тех пор, пока верх резьбовой части (2) не выровняется относительно верхнего торца вкладыша (3).

  26. 613203
  27. Проверить надлежащую установку (2) вкладыша (1) в резьбовом отверстии.

  28. 613218
  29. Для любого смонтированного вкладыша, который ограничивает или блокирует масляный канал или канал охлаждающей жидкости в двигателе (3), требуется высверлить масляный канал или канал охлаждающей жидкости в двигателе (4) до первоначального размера такого канала. После высверливания ограничивающего или блокирующего препятствия следует удалить стружку и вновь завернуть установочный инструмент для вкладышей сквозь вкладыш для устранения заусенцев, сформированных в результате высверливания масляного канала или канала охлаждающей жидкости в двигателе.

Ремонт резьбы в отверстиях под болты головки цилиндров

Специальный инструмент

    • en 42385-700 Высококачественный ремкомплект для ремонта резьбовых соединений
    • en 42385-2000 Комплект резьбовых вкладышей

Эквивалентные местные инструменты см. Специальный инструмент .


1379742

Инструменты для ремонта резьбы в отверстиях под болты головки цилиндров находятся в комплекте вкладышей en 42385-2000 и в комплекте en 42385-700. В систему для ремонта резьбы в отверстиях под болты головки цилиндров входят следующие компоненты:

    • EN 42385-723 Сверло (1)
    • EN 42385-724 Метчик (2)
    • EN 42385-725 Инструмент для установки вкладышей (3)
    • EN 42385-303 Выравнивающий штифт (4)
    • EN 42385-302 Втулка (5)
    • EN 42385-733 Болты (6)
    • EN 42385-401 Установочная плита (7)

Предупреждение. См. Предупреждение о защитных очках во введении.

Примечание: 

   • Перед установкой вкладыша установочным инструментом следует снять установочную плиту.
   • При выполнении процедур сверления, расточки и нарезания резьбы рекомендуется подавать в рабочую зону смазочно-охлаждающую жидкость, жидкость wd 40® или аналогичный раствор. Рекомендованную смазочно-охлаждающую жидкость см. в Клеи, жидкости, смазки и герметики .

При установке вкладыша на надлежащую глубину торец вкладыша коснется дна высверленного отверстия/отверстия с нарезанной резьбой.


    1379743
  1. Установить установочную плиту (3) с втулкой (1), смонтированной над ремонтируемым отверстием (4) под болт головки цилиндров.
  2. Слегка завернуть болты (2) установочной плиты в остальные отверстия под болты головки цилиндров.

  3. 1379745
  4. Вставить выравнивающий штифт (1) сквозь втулку в отверстие под болт головки цилиндров.
  5. После установки выравнивающего штифта в требуемое отверстие под болт головки цилиндров затянуть остальные болты крепления (2) установочной плиты.
  6. Извлечь выравнивающий штифт (1) из отверстия под болт головки цилиндров.

  7. 1379747

    Примечание: 

       • Во время процесса высверливания необходимо несколько раз извлекать сверло и вычищать стружку из отверстия и из каналов сверла.
       • Высверлить отверстие так, чтобы упорный буртик коснулся верхней поверхности втулки для сверления.

  8. Высверлить резьбу из поврежденного отверстия.

  9. 623361

    Примечание: Перед нарезанием резьбы необходимо удалить из высверленного отверстия всю стружку.

  10. С помощью сжатого воздуха удалить всю стружку.

  11. 1379749

    Примечание: 

       • Во время процесса нарезания резьбы необходимо несколько раз извлекать метчик и вычищать стружку из отверстия и из каналов метчика.
       • Следует обеспечить нарезание резьбы метчиком на полную длину не меньше глубины, равной длине вкладыша.

  12. С помощью подходящего воротка нарезать резьбу в высверленном отверстии только вручную.

  13. 377635
  14. Чтобы нарезать новую резьбу для вкладыша на надлежащую глубину, следует ввернуть метчик в отверстие под болт головки цилиндров до совмещения отметки (3) на метчике с верхней поверхностью втулки для сверления (2).

  15. 1379743

    Примечание: Перед установкой вкладыша установочным инструментом следует снять установочную плиту.

  16. Отвернуть болты (2) установочной плиты.
  17. Снять установочную плиту (3) и втулку (1).

  18. 623361

    Примечание: Перед монтажом вкладыша необходимо удалить из отверстия с нарезанной резьбой всю стружку.

  19. С помощью сжатого воздуха удалить всю стружку.

  20. 623364
  21. В отверстие с нарезанной резьбой аэрозольным способом следует нанести очистительный раствор. См. рекомендации по использованию чистящих средств в Клеи, жидкости, смазки и герметики .

  22. 623361

    Примечание: Перед монтажом вкладыша необходимо удалить из отверстия с нарезанной резьбой всю стружку.

  23. С помощью сжатого воздуха удалить всю стружку.

  24. 313562

    Примечание: Запрещается смазывать маслом или иным материалом наружный диаметр (od) вкладыша.

  25. Смазать резьбу установочного инструмента (2) для вкладышей с EN 42385-110 (1).

  26. 313567
  27. Установить вкладыш (2) в установочный инструмент (1) для вкладышей.

  28. 313572
  29. Нанести герметик EN 42385-109 для фиксации резьбовых соединений LOCTITE 277® или аналогичный (1) на наружную резьбу вкладыша (2). См. рекомендации по использованию герметиков Клеи, жидкости, смазки и герметики .

  30. 1379751
  31. Установить вкладыш и инструмент для его установки (1) в отверстие с нарезанной резьбой только вручную.
  32. Начать вворачивание вкладыша в резьбовое отверстие.
  33. Примечание: Если вкладыш не пойдет по резьбе вниз до упора торца вкладыша в дно расточенной поверхности, следует сразу же извлечь его инструментом для извлечения винтов и проверить отсутствие в отверстии с нарезанной резьбой оставшихся стружек и/или неверно нарезанной резьбы.

  34. Установить вкладыш так, чтобы торец вкладыша касался нижней поверхности расточенного отверстия.
  35. Примечание: Установочный инструмент для вкладышей будет затянут до полного вворачивания сквозь вкладыш. Это допустимо. Выполняется формирование резьбы в нижней части вкладыша, и вкладыш механически фиксируется в резьбе базового материала.

  36. Продолжить вращение установочного инструмента сквозь вкладыш.

  37. 1379754
  38. Чтобы сформировать новую резьбу на вкладыше, следует ввернуть инструмент для установки сквозь вкладыш до совмещения отметки (1) на инструменте для установки с верхней поверхностью блока цилиндров (2).
  39. Проверить надлежащую установку вкладыша в резьбовом отверстии.

Ремонт резьбы в отверстиях под болты коренных подшипников коленвала

Специальный инструмент

    • en 42385-700 Высококачественный ремкомплект для ремонта резьбовых соединений
    • en 42385-2000 Комплект резьбовых вкладышей

Эквивалентные местные инструменты см. Специальный инструмент .


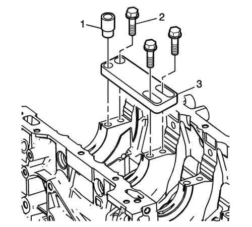
1379759

Примечание: 

   • Чтобы отремонтировать некоторые отверстия под болты коренных подшипников коленвала, необходимо расположить установочную плиту в перевернутом положении.
   • Перед установкой вкладыша установочным инструментом НЕ СЛЕДУЕТ СНИМАТЬ установочную плиту. Установочная плита должна оставаться в требуемом положении в течение всего процесса ремонта резьбы.

Инструменты для ремонта резьбы в отверстиях под болты коренных подшипников коленвала находятся в комплекте вкладышей en 42385-2000 и в комплекте en 42385-700. В систему для ремонта резьбы в отверстиях под болты коренных подшипников коленвала входят следующие компоненты:

    • EN 42385-702 Сверло (1) для наружных отверстий
    • EN 42385-703 Метчик (2) для наружных отверстий
    • EN 42385-704 Инструмент для установки вкладышей (3) в наружные отверстия
    • EN 42385-726 Втулка (4) для наружных отверстий
    • EN 42385-727 Выравнивающий штифт (5) для наружных отверстий
    • EN 42385-728 Болты (6) для наружных отверстий
    • EN 42385-720 Сверло (7) для внутренних отверстий
    • EN 42385-721 Метчик (8) для внутренних отверстий
    • EN 42385-722 Инструмент для установки вкладышей (9) во внутренние отверстия
    • EN 42385-713 Втулка (10)
    • EN 42385-308 Выравнивающий штифт (11)
    • EN 42385-734 Болты (12)
    • EN 42385-712 Установочная плита (13)

Отверстия под наружные болты

Предупреждение. См. Предупреждение о защитных очках во введении.

Примечание: 

   • Обеспечить установку установочной плиты на время выполнения процессов механической обработки и установки вкладыша.
   • При выполнении процедур сверления, расточки и нарезания резьбы рекомендуется подавать в рабочую зону смазочно-охлаждающую жидкость, жидкость wd 40® или аналогичный раствор. Рекомендованную смазочно-охлаждающую жидкость см. в Клеи, жидкости, смазки и герметики .

При установке вкладыша на надлежащую глубину торец вкладыша коснется дна высверленного отверстия/отверстия с нарезанной резьбой.


    1379764
  1. Установить установочную плиту (3) с втулкой (2), смонтированной над ремонтируемым отверстием под болт коренного подшипника коленвала.
  2. Слегка завернуть болты (1) установочной плиты в остальные отверстия под болты коренных подшипников коленвала.

  3. 1379768
  4. Вставить выравнивающий штифт (1) сквозь втулку в отверстие под болт коренного подшипника коленвала.
  5. После установки выравнивающего штифта в требуемое отверстие под болт коренного подшипника коленвала затянуть остальные болты крепления (2) установочной плиты.
  6. Извлечь выравнивающий штифт (1) из отверстия под болт коренного подшипника коленвала.

  7. 1379774

    Примечание: 

       • Во время процесса высверливания необходимо несколько раз извлекать сверло и вычищать стружку из отверстия и из каналов сверла.
       • Высверлить отверстие под болт коренного подшипника коленвала так, чтобы отметка (1) на сверле была совмещена с верхней поверхностью втулки для сверления (2).

  8. Высверлить резьбу из поврежденного отверстия.

  9. 623361

    Примечание: Перед нарезанием резьбы необходимо удалить из высверленного отверстия всю стружку.

  10. С помощью сжатого воздуха удалить всю стружку.

  11. 1379776

    Примечание: 

       • Запрещается снимать установочную плиту, она должна быть установлена на время выполнения процессов механической обработки и установки вкладыша.
       • Во время процесса нарезания резьбы необходимо несколько раз извлекать метчик и вычищать стружку из отверстия и из каналов метчика.
       • Следует обеспечить нарезание резьбы метчиком на полную длину не меньше глубины, равной длине вкладыша.

  12. С помощью подходящего воротка нарезать резьбу в высверленном отверстии только вручную.

  13. 377635
  14. Чтобы нарезать новую резьбу для вкладыша на надлежащую глубину, следует ввернуть метчик в отверстие под болт коренного подшипника коленвала до совмещения отметки (3) на метчике с верхней поверхностью втулки для сверления (2).

  15. 623361

    Примечание: Перед монтажом вкладыша необходимо удалить из отверстия с нарезанной резьбой всю стружку.

  16. С помощью сжатого воздуха удалить всю стружку.

  17. 623364
  18. В отверстие с нарезанной резьбой аэрозольным способом следует нанести очистительный раствор. См. рекомендации по использованию чистящих средств в Клеи, жидкости, смазки и герметики .

  19. 623361

    Примечание: Перед монтажом вкладыша необходимо удалить из отверстия с нарезанной резьбой всю стружку.

  20. С помощью сжатого воздуха удалить всю стружку.

  21. 313562

    Примечание: 

       • Запрещается снимать установочную плиту, она должна быть установлена на время выполнения процесса механической обработки и установки вкладыша.
       • Запрещается смазывать маслом или иным материалом наружный диаметр (od) вкладыша.

  22. Смазать резьбу установочного инструмента (2) для вкладышей с EN 42385-110 (1).

  23. 313567
  24. Установить вкладыш (2) в установочный инструмент (1) для вкладышей.

  25. 313572
  26. Нанести герметик EN 42385-109 для фиксации резьбовых соединений LOCTITE 277® или аналогичный (1) на наружную резьбу вкладыша (2). См. рекомендации по использованию герметиков Клеи, жидкости, смазки и герметики .

  27. 1379780
  28. Установить вкладыш и инструмент для его установки в отверстие с нарезанной резьбой только вручную.
  29. Начать вворачивание вкладыша в резьбовое отверстие.
  30. Примечание: Если вкладыш не пойдет по резьбе вниз до упора торца вкладыша в дно расточенной поверхности, следует сразу же извлечь его инструментом для извлечения винтов и проверить отсутствие в отверстии с нарезанной резьбой оставшихся стружек и/или неверно нарезанной резьбы.

  31. Установить вкладыш так, чтобы торец вкладыша касался нижней поверхности расточенного отверстия.
  32. Примечание: Установочный инструмент для вкладышей будет затянут до полного вворачивания сквозь вкладыш. Это допустимо. Выполняется формирование резьбы в нижней части вкладыша, и вкладыш механически фиксируется в резьбе базового материала.

  33. Продолжить вращение установочного инструмента сквозь вкладыш.

  34. 377635
  35. Вращать инструмент для установки вкладыша так, чтобы отметка (3) на инструменте для установки вкладыша была совмещена с верхней поверхностью втулки для сверления (2).
  36. Проверить надлежащую установку вкладыша в резьбовом отверстии.

  37. 1379764
  38. Отвернуть болты (1) установочной плиты.
  39. Снять установочную плиту (3) и втулку (2).

Отверстия под внутренние болты

    Предупреждение. См. Предупреждение о защитных очках во введении.


    1379785

    Примечание: 

       • Обеспечить установку установочной плиты на время выполнения процессов механической обработки и установки вкладыша.
       • При выполнении процедур сверления, расточки и нарезания резьбы рекомендуется подавать в рабочую зону смазочно-охлаждающую жидкость, жидкость wd 40® или аналогичный раствор. Рекомендованную смазочно-охлаждающую жидкость см. в Клеи, жидкости, смазки и герметики .
            При установке вкладыша на надлежащую глубину торец вкладыша коснется дна высверленного отверстия/отверстия с нарезанной резьбой.

  1. Установить установочную плиту (3) с втулкой (1), смонтированной над ремонтируемым отверстием под болт коренного подшипника коленвала.
  2. Слегка завернуть болты (2) установочной плиты в остальные отверстия под болты коренных подшипников коленвала.

  3. 1379787
  4. Вставить выравнивающий штифт (1) сквозь втулку в отверстие под болт коренного подшипника коленвала.
  5. После установки выравнивающего штифта в требуемое отверстие под болт коренного подшипника коленвала затянуть остальные болты крепления (2) установочной плиты.
  6. Извлечь выравнивающий штифт (1) из отверстия под болт коренного подшипника коленвала.

  7. 1379790

    Примечание: 

       • Во время процесса высверливания необходимо несколько раз извлекать сверло и вычищать стружку из отверстия и из каналов сверла.
       • Высверлить отверстие под болт коренного подшипника коленвала так, чтобы отметка (1) на сверле была совмещена с верхней поверхностью втулки для сверления (2).

  8. Высверлить резьбу из поврежденного отверстия.

  9. 623361

    Примечание: Перед нарезанием резьбы необходимо удалить из высверленного отверстия всю стружку.

  10. С помощью сжатого воздуха удалить всю стружку.

  11. 1379793

    Примечание: 

       • Запрещается снимать установочную плиту, она должна быть установлена на время выполнения процессов механической обработки и установки вкладыша.
       • Во время процесса нарезания резьбы необходимо несколько раз извлекать метчик и вычищать стружку из отверстия и из каналов метчика.
       • Следует обеспечить нарезание резьбы метчиком на полную длину не меньше глубины, равной длине вкладыша.

  12. С помощью подходящего воротка нарезать резьбу в высверленном отверстии только вручную.

  13. 377635
  14. Чтобы нарезать новую резьбу для вкладыша на надлежащую глубину, следует ввернуть метчик в отверстие под болт коренного подшипника коленвала до совмещения отметки (3) на метчике с верхней поверхностью втулки для сверления (2).

  15. 623361

    Примечание: Перед монтажом вкладыша необходимо удалить из отверстия с нарезанной резьбой всю стружку.

  16. С помощью сжатого воздуха удалить всю стружку.

  17. 623364
  18. В отверстие с нарезанной резьбой аэрозольным способом следует нанести очистительный раствор. См. рекомендации по использованию чистящих средств в Клеи, жидкости, смазки и герметики .

  19. 623361

    Примечание: Перед монтажом вкладыша необходимо удалить из отверстия с нарезанной резьбой всю стружку.

  20. С помощью сжатого воздуха удалить всю стружку.

  21. 313562

    Примечание: 

       • Запрещается снимать установочную плиту, она должна быть установлена на время выполнения процесса механической обработки и установки вкладыша.
       • Запрещается смазывать маслом или иным материалом наружный диаметр (od) вкладыша.

  22. Смазать резьбу установочного инструмента (2) для вкладышей с EN 42385-110 (1).

  23. 313567
  24. Установить вкладыш (2) в установочный инструмент (1) для вкладышей.

  25. 313572
  26. Нанести герметик EN 42385-109 для фиксации резьбовых соединений LOCTITE 277® или аналогичный (1) на наружную резьбу вкладыша (2). См. рекомендации по использованию герметиков Клеи, жидкости, смазки и герметики .

  27. 1379796
  28. Установить вкладыш и инструмент для его установки в отверстие с нарезанной резьбой только вручную.
  29. Начать вворачивание вкладыша в резьбовое отверстие.
  30. Примечание: Если вкладыш не пойдет по резьбе вниз до упора торца вкладыша в дно расточенной поверхности, следует сразу же извлечь его инструментом для извлечения винтов и проверить отсутствие в отверстии с нарезанной резьбой оставшихся стружек и/или неверно нарезанной резьбы.

  31. Установить вкладыш так, чтобы торец вкладыша касался нижней поверхности расточенного отверстия.
  32. Примечание: Установочный инструмент для вкладышей будет затянут до полного вворачивания сквозь вкладыш. Это допустимо. Выполняется формирование резьбы в нижней части вкладыша, и вкладыш механически фиксируется в резьбе базового материала.

  33. Продолжить вращение установочного инструмента сквозь вкладыш.

  34. 377635
  35. Вращать инструмент для установки вкладыша так, чтобы отметка (3) на инструменте для установки вкладыша была совмещена с верхней поверхностью втулки для сверления (2).
  36. Проверить надлежащую установку вкладыша в резьбовом отверстии.

  37. 1379785
  38. Отвернуть болты (2) установочной плиты.
  39. Снять установочную плиту (3) и втулку (1).
   


https://vnx.su/ 🛠 Руководства по ремонту и эксплуатации для автомобилей

Поиск по сайту

Остались вопросы или пожелания? Пишите на почту: support@vnx.su

Карта Сайта