Наверх документа
Captiva
   
Начальная страница GMDE Загрузить статическое оглавление Загрузить динамическое оглавление Помощь?

Монтировать блока двигателя


    902736
  1. Установите штифты, выравнивающие положение головки цилиндров отосительно блока цилиндров.

  2. 902730
  3. Установить НОВУЮ расширяющуюся заглушку переднего масляного канала.
  4. Удостоверьтесь, что НОВАЯ вогнутая заглушка переднего масляного канала установлена на правильной глубине.

  5. 902737
  6. Установить установочные штифты для стыковки блока цилиндров и коробки передач.

  7. 902733
  8. Нанести клей-герметик (RTV), вулканизирующийся при комнатной температуре, на НОВЫЕ расширяющиеся пробки охлаждающей жидкости. См. рекомендации по использованию герметиков Клеи, жидкости, смазки и герметики .
  9. Установите НОВУЮ вогнутую заглушку для системы охлаждения.
  10. Удостоверьтесь, что НОВАЯ вогнутая заглушка системы охлаждения установлена на правильной глубине.

  11. 1327926
  12. Нанести герметик для резьбы с левой стороны на резьбовую пробку M20 масляного канала. См. рекомендации по использованию герметиков Клеи, жидкости, смазки и герметики .
  13. Осторожно: См. Предупреждение о крепежных деталях во введении.

  14. Завернуть с левой стороны резьбовую пробку M20 масляного канала и затянуть ее с моментом затяжки 31 Н·м (23 фунт фут).

  15. 1327925
  16. Нанести герметик для резьбы с левой стороны на резьбовую пробку M14 сливного отверстия охлаждающей жидкости. См. рекомендации по использованию герметиков Клеи, жидкости, смазки и герметики .
  17. Завернуть с левой стороны резьбовую пробку M14 сливного отверстия охлаждающей жидкости и затянуть ее с моментом затяжки 31 Н·м (23 фунт фут).

  18. 1327924
  19. Нанести герметик для резьбы сзади на резьбовую пробку M14 масляного канала. См. рекомендации по использованию герметиков Клеи, жидкости, смазки и герметики .
  20. Завернуть сзади резьбовую пробку M14 масляного канала и затянуть ее с моментом затяжки 31 Н·м (23 фунт фут).

  21. 1327923
  22. Нанести герметик для резьбы с правой стороны на резьбовую пробку M14 сливного отверстия охлаждающей жидкости. См. рекомендации по использованию герметиков Клеи, жидкости, смазки и герметики .
  23. Завернуть с правой стороны резьбовую пробку M14 сливного отверстия охлаждающей жидкости и затянуть ее с моментом затяжки 31 Н·м (23 фунт фут).

  24. 1327922
  25. Нанести герметик для резьбы с правой стороны на резьбовую пробку M14 масляного канала. См. рекомендации по использованию герметиков Клеи, жидкости, смазки и герметики .
  26. Завернуть с правой стороны резьбовую пробку M14 масляного канала и затянуть ее с моментом затяжки 31 Н·м (23 фунт фут).

  27. 902740
  28. Установите штифты, выравнивающие положение масляного поддона отосительно блока цилиндров.

  29. 902732
  30. Установите НОВУЮ вогнутую пробку масляного канала, идущего к правому переднему масляному поддону.
  31. Удостоверьтесь, что НОВАЯ вогнутая пробка масляного канала, идущего к правому переднему масляному поддону, установлена на необходимой глубине.

  32. 1866877
  33. Установите масляные сопла.
  34. Завернуть болты масляной форсунки и затянуть их с моментом затяжки 10 Н·м (89 фунт дюйм).

  35. 1930269
  36. Установите НОВОЕ уплотнительное кольцо дачика положения коленчатого вала, если оно повреждено.

  37. 1930246
  38. Установите датчик положения коленчатого вала.
  39. Завернуть болт датчика положения коленчатого вала и затянуть его с моментом затяжки 10 Н·м (89 фунт дюйм).

  40. 1930214
  41. Установите левый датчик детонации на блок цилиндров, как показано на рисунке.
  42. Закрутить болт левого датчика детонации и затянуть его с моментом 25 Н·м (18 фунт-футов).
  43. Проверьте ориентацию датчика.

  44. 1930195
  45. Установите правый датчик детонации на блок цилиндров, как показано на рисунке.
  46. Завернуть болт правого датчика детонации и затянуть его с моментом затяжки 25 Н·м (18 фунт фут).
  47. Проверьте ориентацию датчика.

  48. 1930194
  49. Установите катридж нагревателя блока, если он есть в комплекте.

  50. 2296303
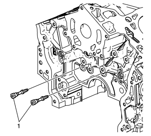
  51. Закрутить шпильки (1) передней крышки двигателя и затянуть их с моментом 15 Н·м (11 фунт-футов ).
   


https://vnx.su/ 🛠 Руководства по ремонту и эксплуатации для автомобилей

Поиск по сайту

Остались вопросы или пожелания? Пишите на почту: support@vnx.su

Карта Сайта